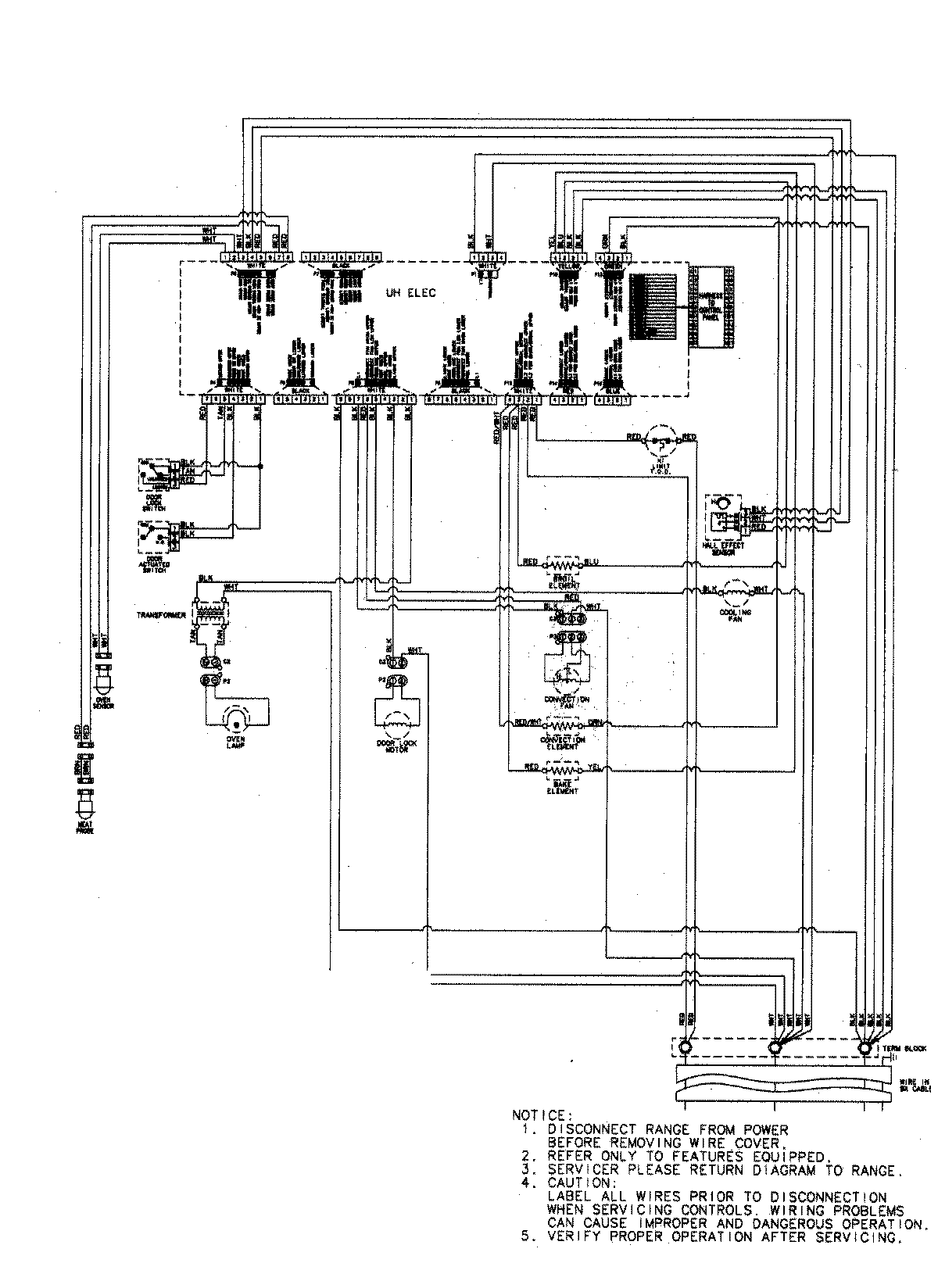
JJW9530DDW 07 – WIRING INFORMATIONadmin2025-04-26T09:35:59+00:00JJW9530DDW 07 – WIRING INFORMATION ProductsPositionProductNIMAY 15003272