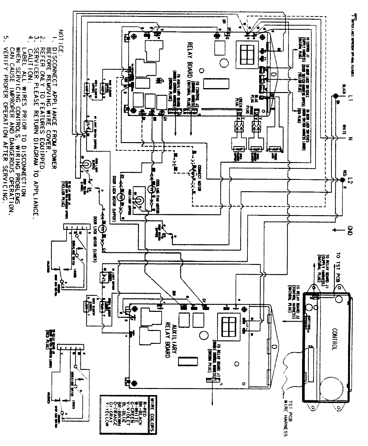
JJW9627AAW 06 – WIRING INFORMATIONadmin2025-04-26T09:38:02+00:00JJW9627AAW 06 – WIRING INFORMATION ProductsPositionProductNIMAY 15002513