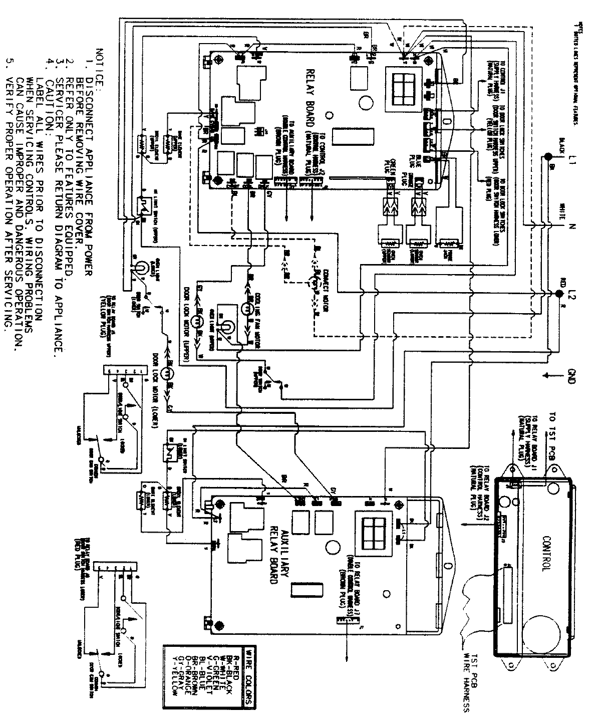
JJW9627BAB 06 – WIRING INFORMATIONadmin2025-04-26T09:36:27+00:00JJW9627BAB 06 – WIRING INFORMATION ProductsPositionProductNIMAY 15002513