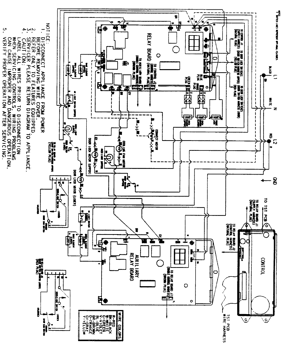
JJW9627BAQ 06 – WIRING INFORMATIONadmin2025-04-26T09:39:43+00:00JJW9627BAQ 06 – WIRING INFORMATION ProductsPositionProductNIMAY 15002513