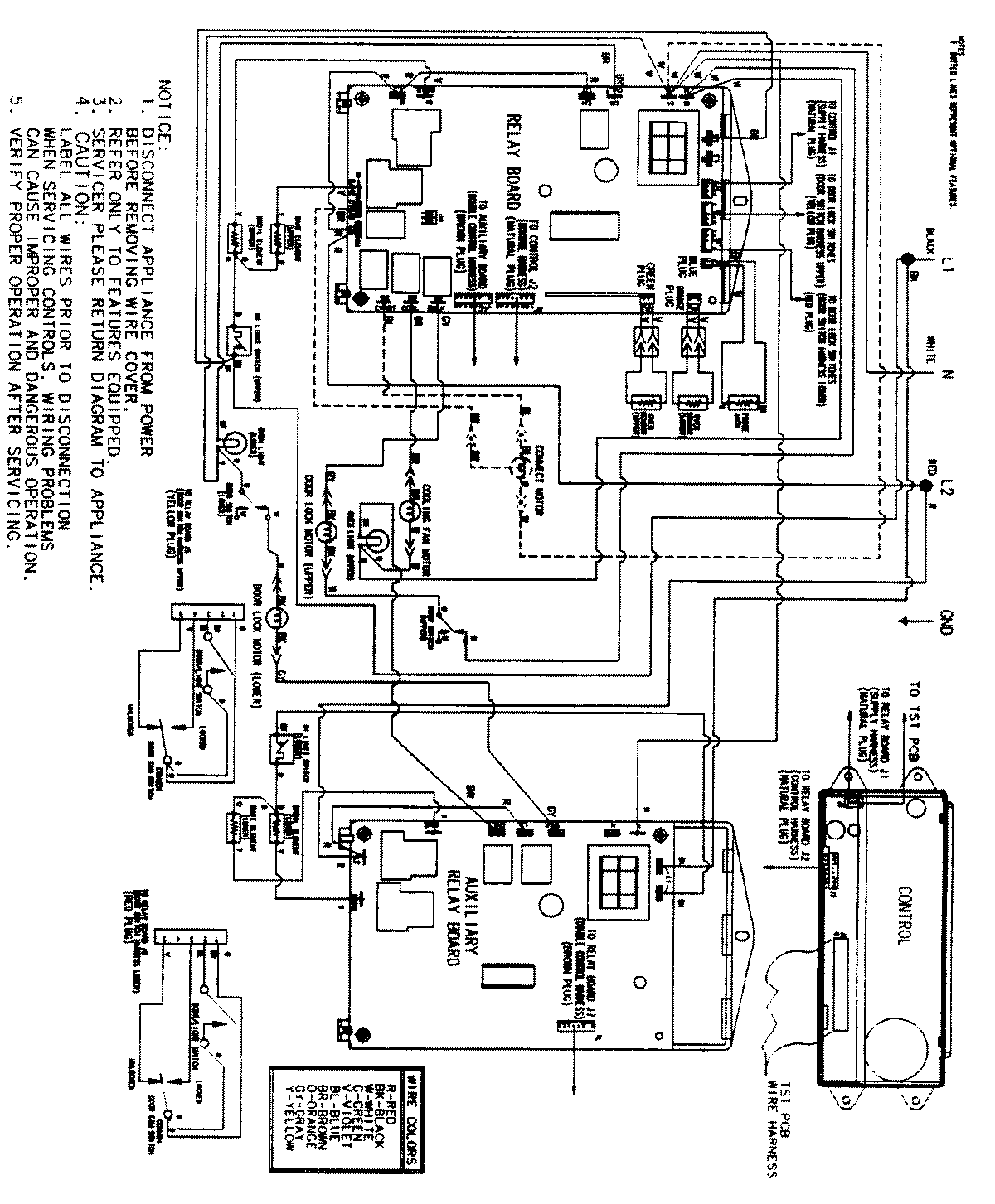
JJW9627BAW 06 – WIRING INFORMATIONadmin2025-04-26T09:35:22+00:00JJW9627BAW 06 – WIRING INFORMATION ProductsPositionProductNIMAY 15002513