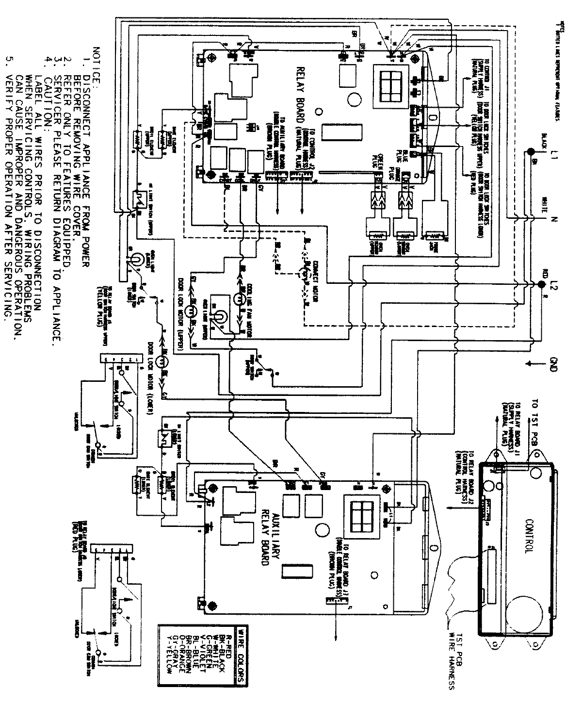
JJW9627CAQ 06 – WIRING INFORMATIONadmin2025-04-26T09:35:42+00:00JJW9627CAQ 06 – WIRING INFORMATION ProductsPositionProductNIMAY 15002513