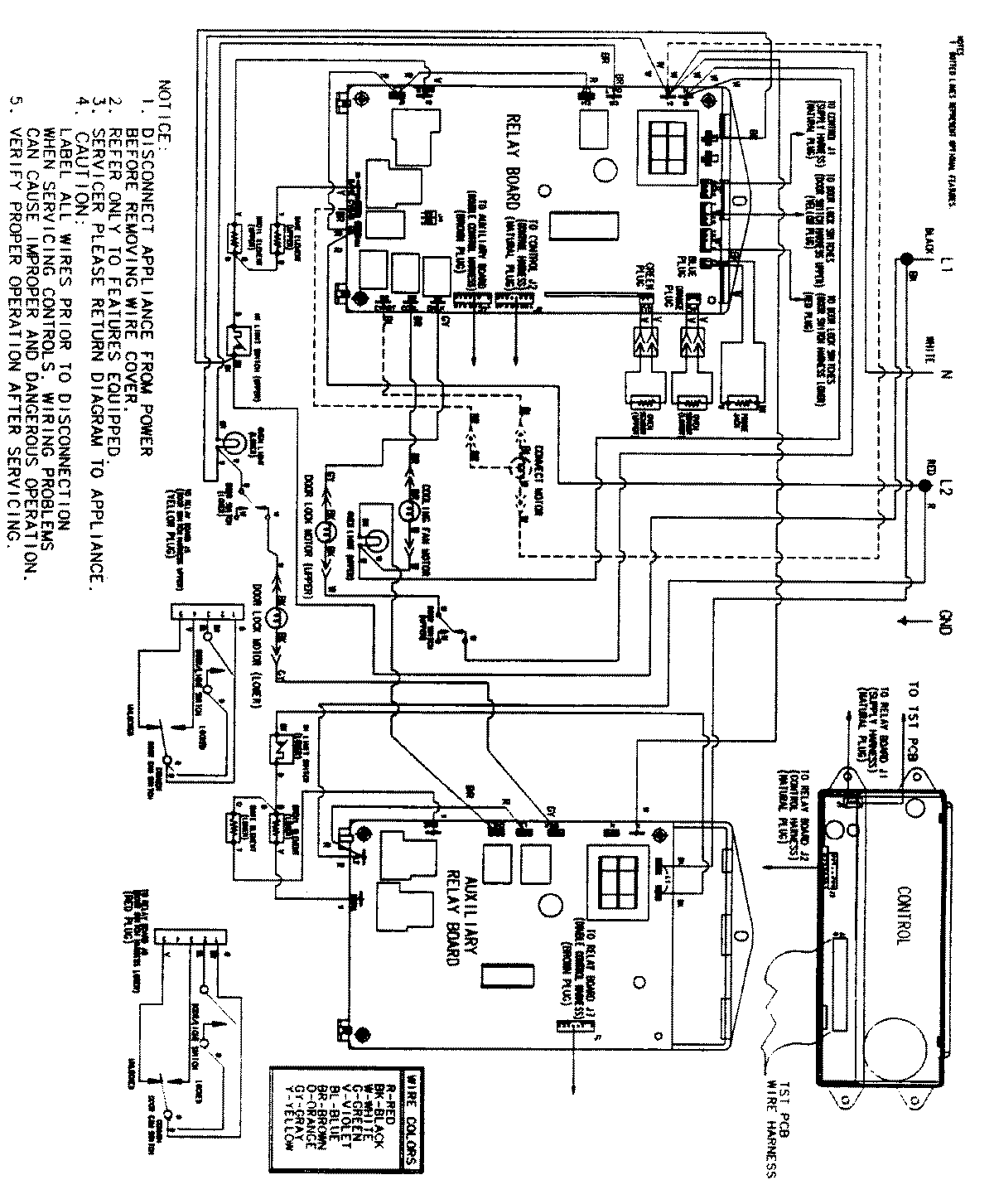
JJW9627CAS 06 – WIRING INFORMATIONadmin2025-04-26T09:36:06+00:00JJW9627CAS 06 – WIRING INFORMATION ProductsPositionProductNIMAY 15002513