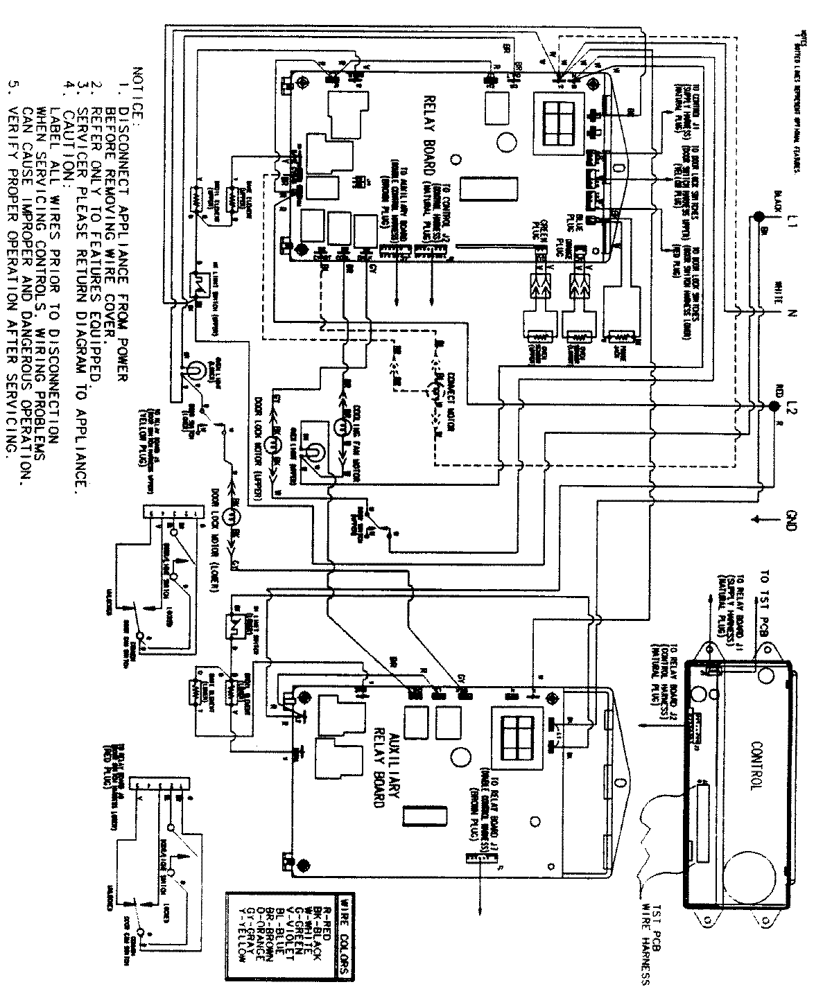
JJW9627CAW 06 – WIRING INFORMATIONadmin2025-04-26T09:35:11+00:00JJW9627CAW 06 – WIRING INFORMATION ProductsPositionProductNIMAY 15002513