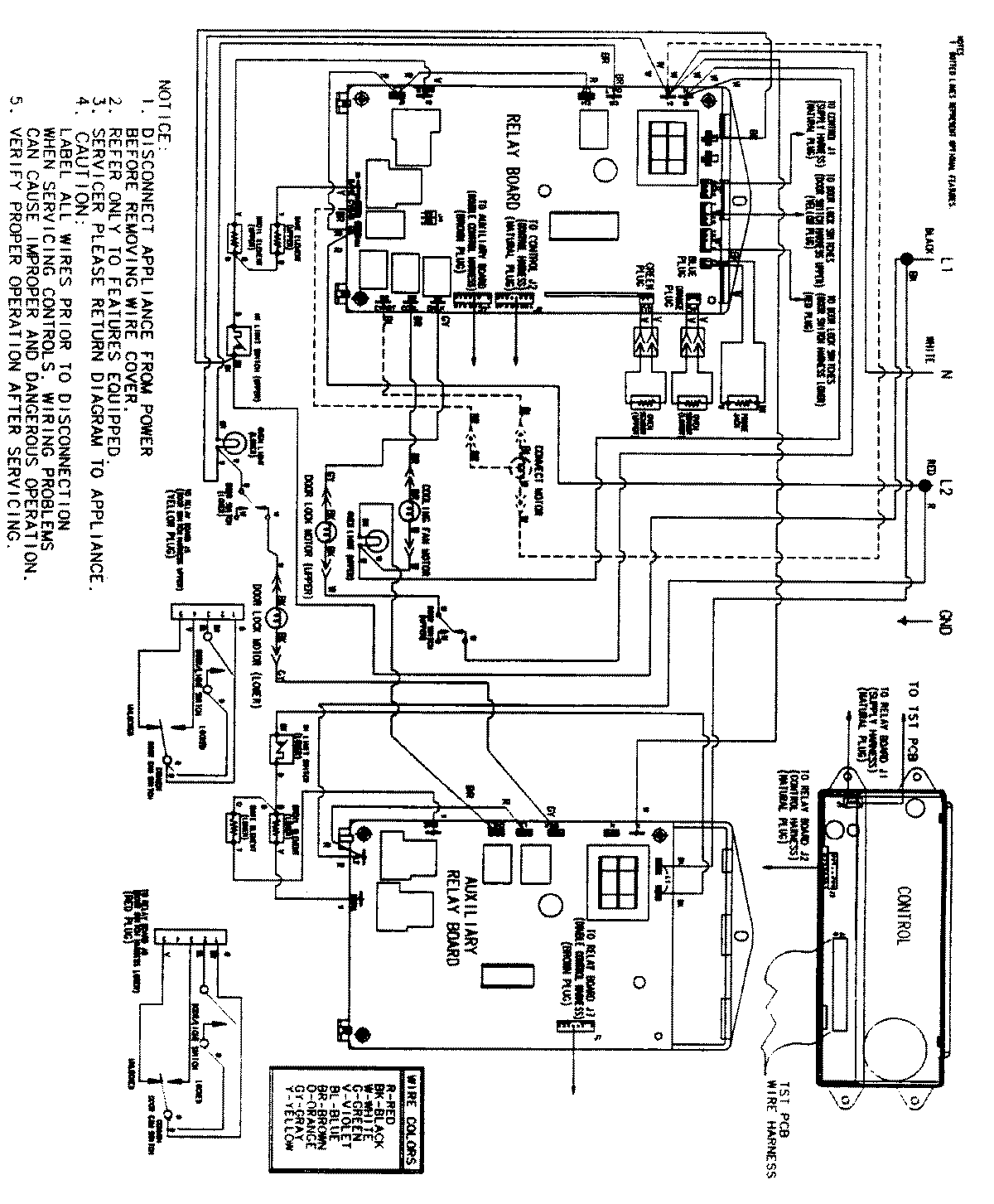
JJW9630CAB 06 – WIRING INFORMATIONadmin2025-04-26T09:34:55+00:00JJW9630CAB 06 – WIRING INFORMATION ProductsPositionProductNIMAY 15002513