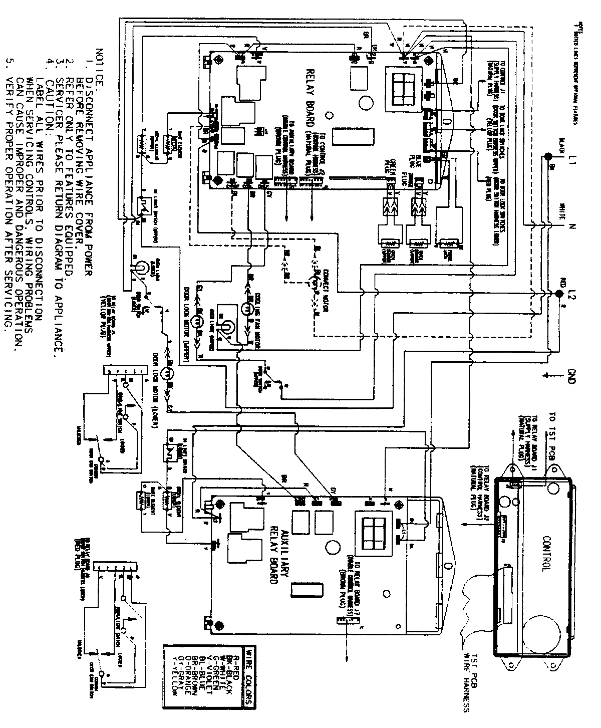
JJW9630CAS 06 – WIRING INFORMATIONadmin2025-04-26T09:34:54+00:00JJW9630CAS 06 – WIRING INFORMATION ProductsPositionProductNIMAY 15002513