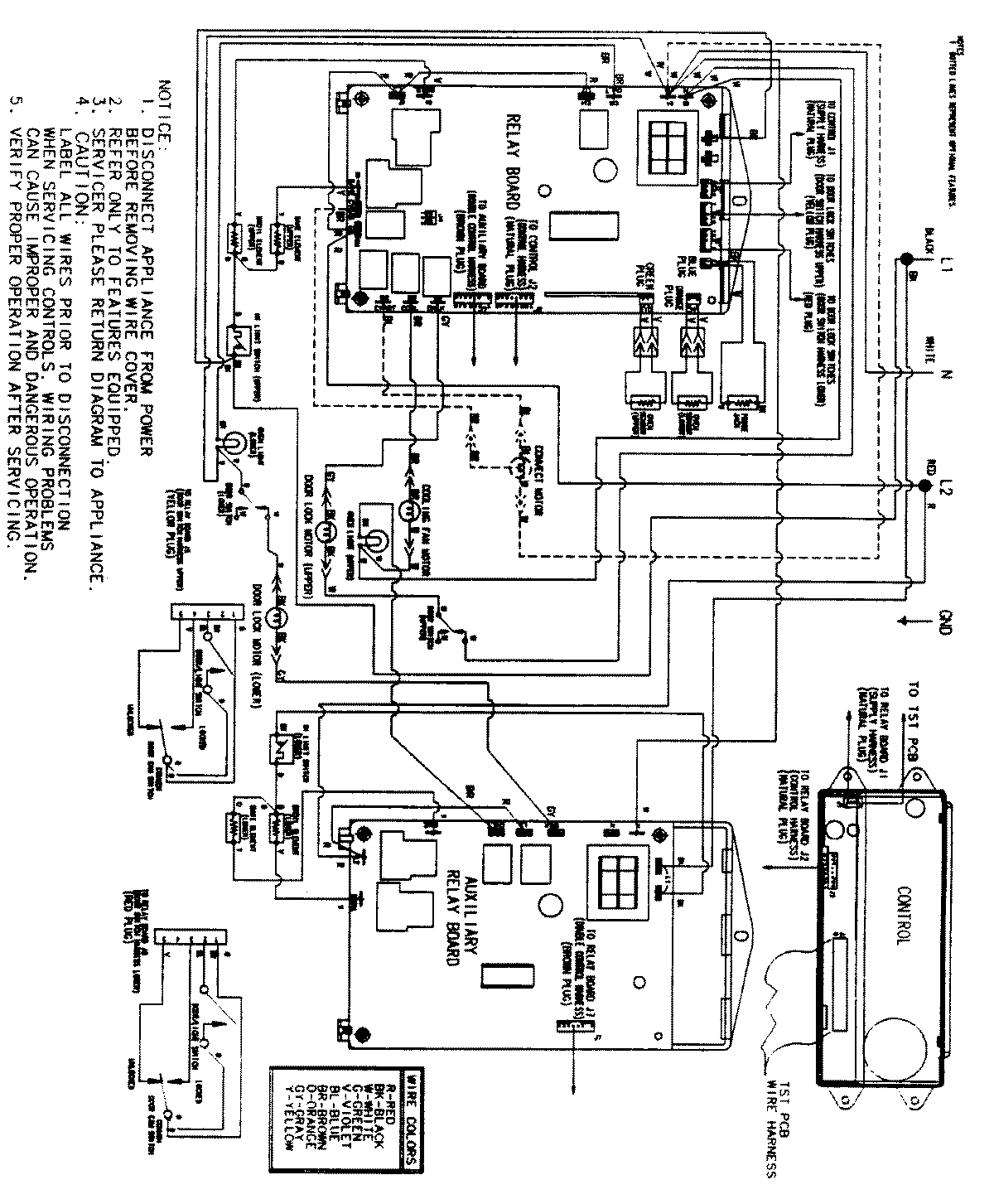
JJW9630CAW 06 – WIRING INFORMATIONadmin2025-04-26T09:38:46+00:00JJW9630CAW 06 – WIRING INFORMATION ProductsPositionProductNIMAY 15002513