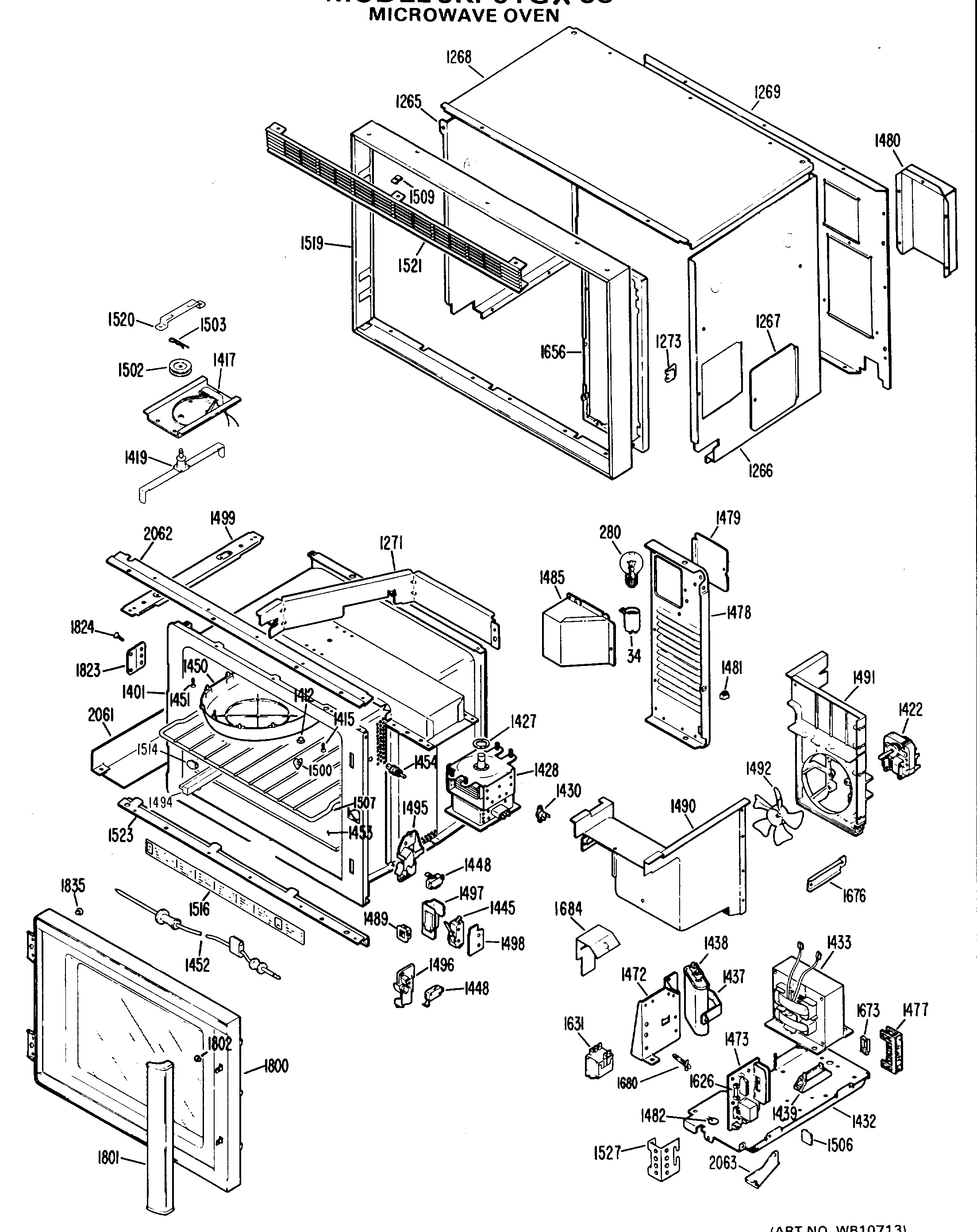
JKP61G*J3 MICROWAVE OVEN

JKP61G*J3 MICROWAVE OVEN