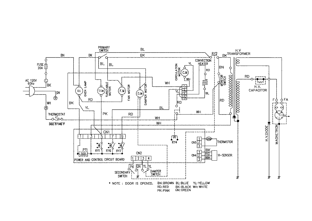
JMC9158AAS 05 – WIRING INFORMATION

JMC9158AAS 05 – WIRING INFORMATION

Products

PositionProduct
NIMAY 15003049