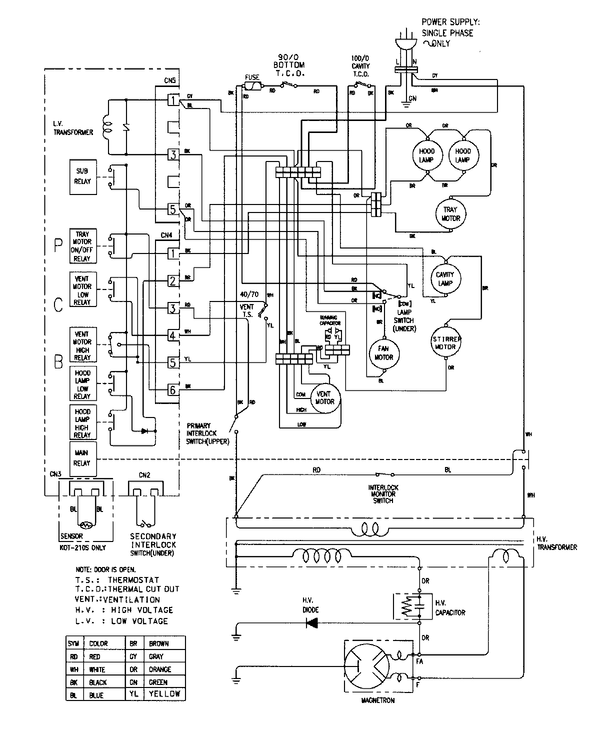
JMV8000ADB 06 – WIRING INFORMATION

JMV8000ADB 06 – WIRING INFORMATION

Products

PositionProduct
NIMAY 15002357