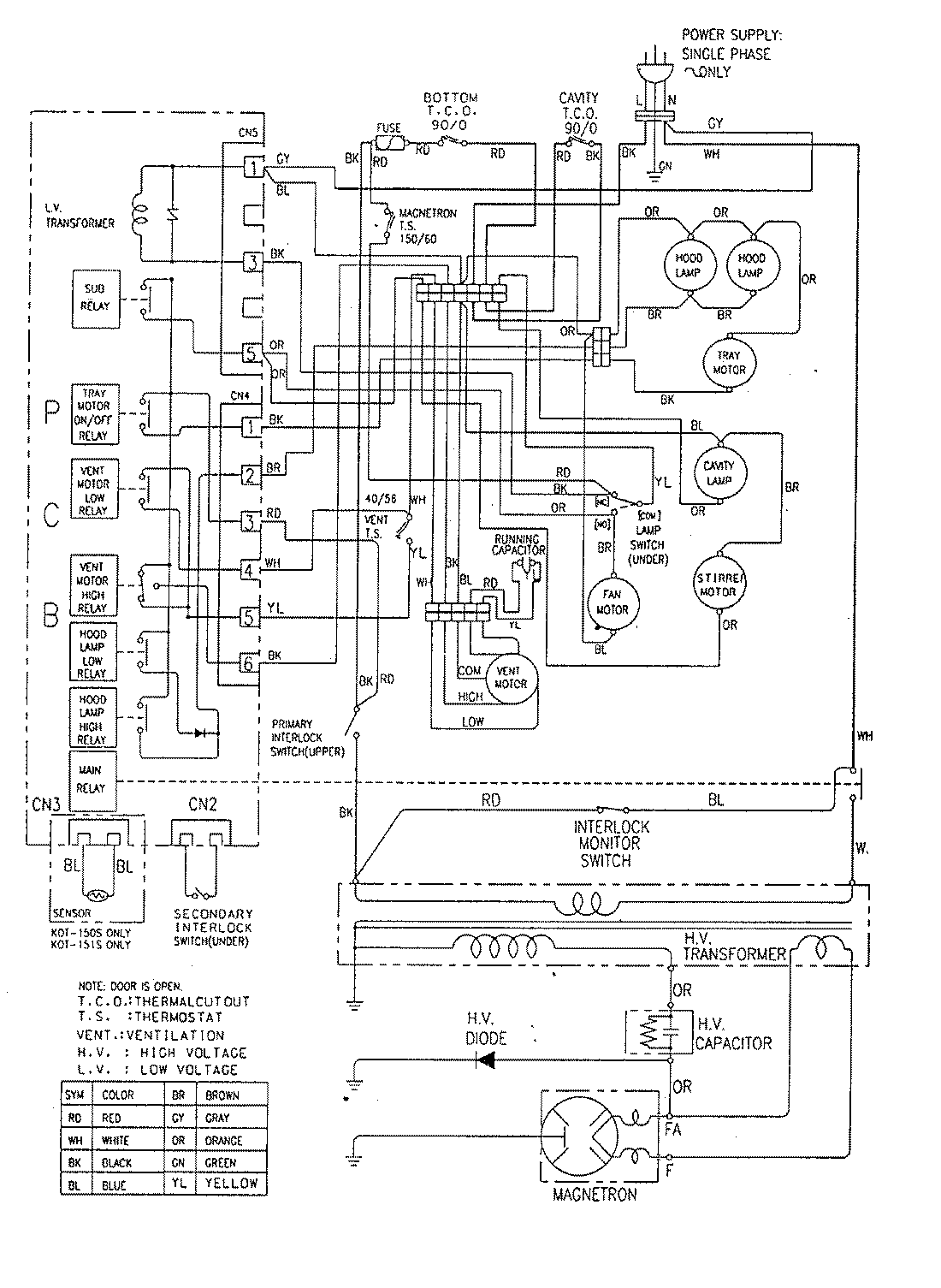
JMV8000BDQ 06 – WIRING INFORMATION

JMV8000BDQ 06 – WIRING INFORMATION

Products

PositionProduct
NIMAY 15002670