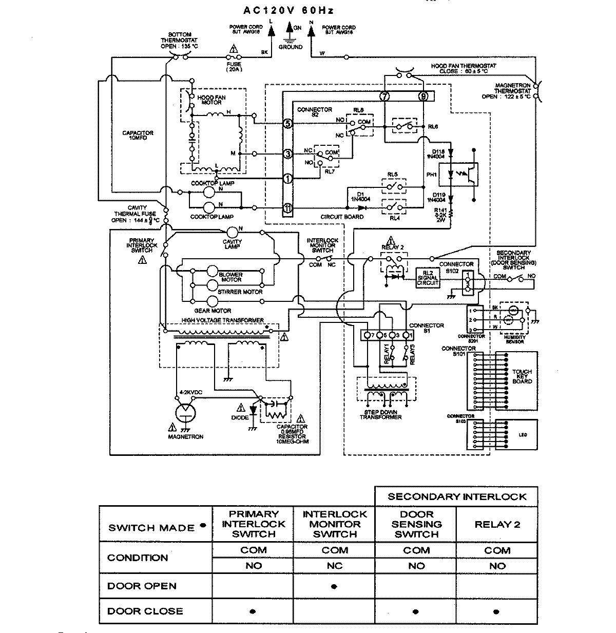
JMV8100AAS 06 – WIRING INFORMATIONadmin2025-04-26T09:39:19+00:00JMV8100AAS 06 – WIRING INFORMATION ProductsPositionProductNIMAY 15002838