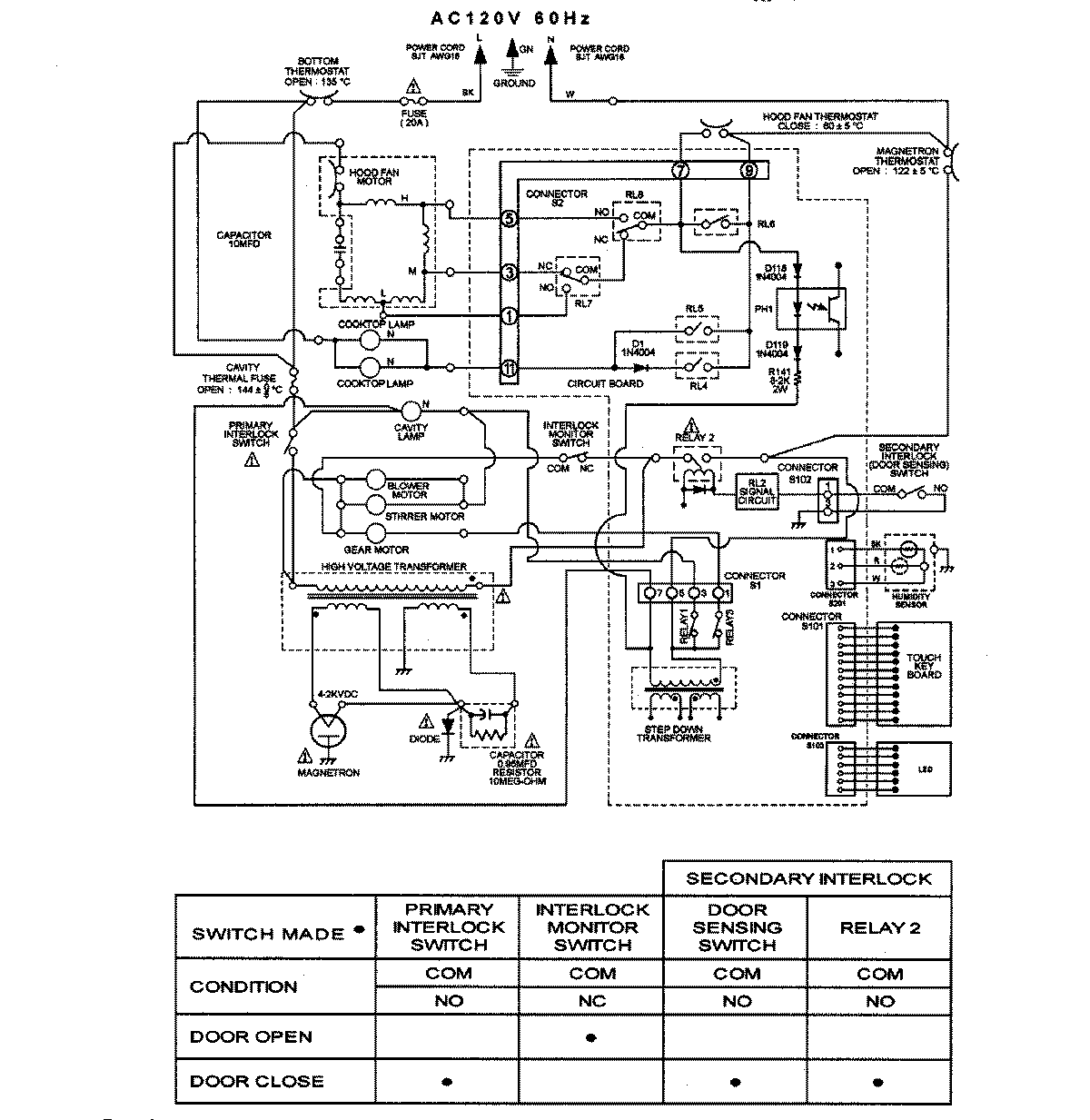
JMV8100AAW 06 – WIRING INFORMATION

JMV8100AAW 06 – WIRING INFORMATION

Products

PositionProduct
NIMAY 15002838