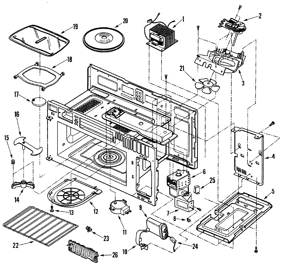
JMV8208ACS 03 – CAVITY