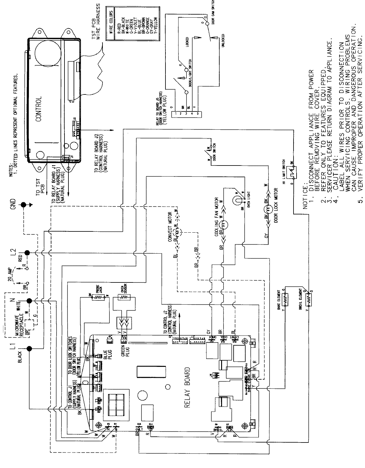
JMW8527AAB 08 – WIRING INFORMATIONadmin2025-04-26T09:05:52+00:00JMW8527AAB 08 – WIRING INFORMATION ProductsPositionProductNIMAY 15002514