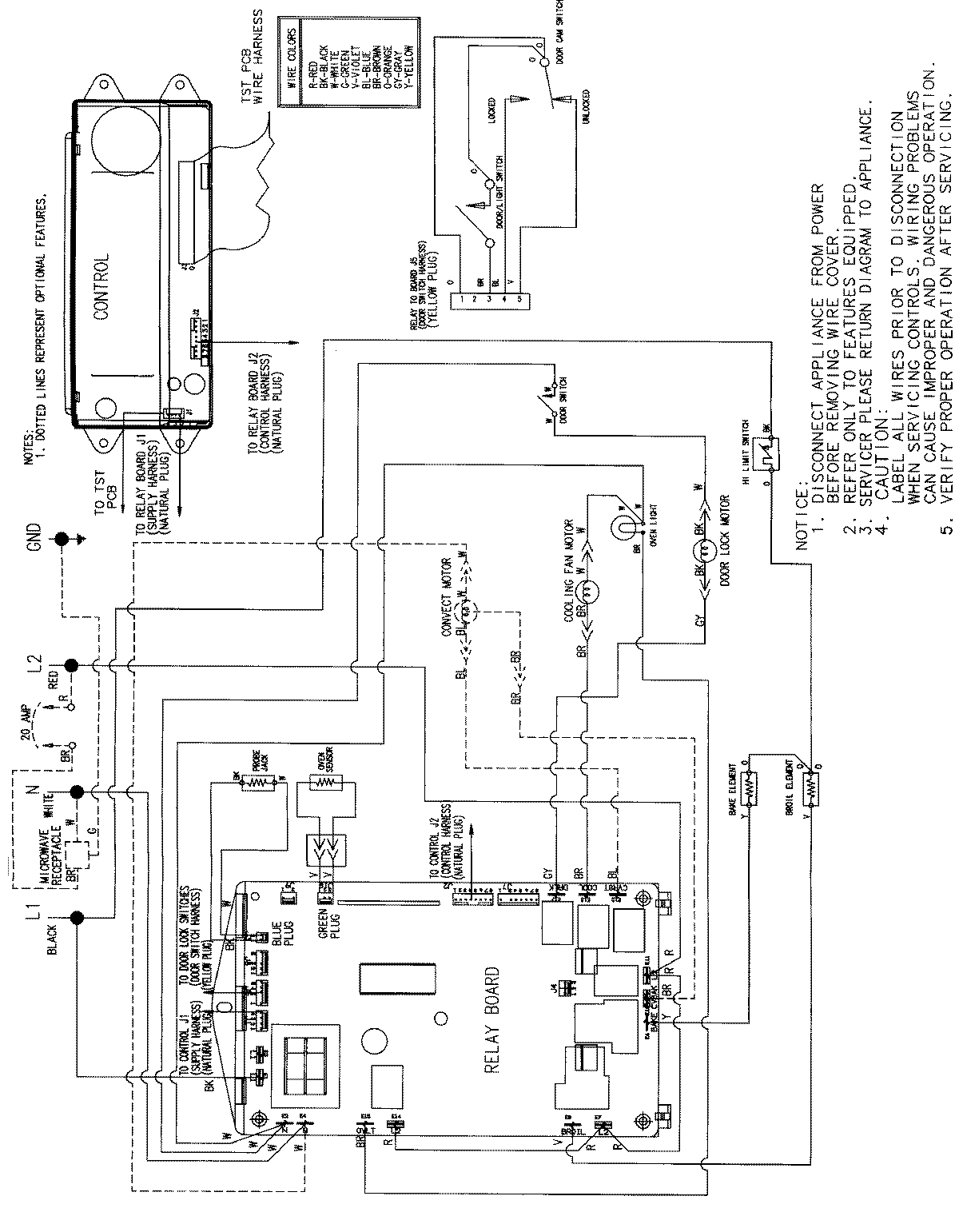
JMW8527AAW 08 – WIRING INFORMATIONadmin2025-04-26T09:06:38+00:00JMW8527AAW 08 – WIRING INFORMATION ProductsPositionProductNIMAY 15002514