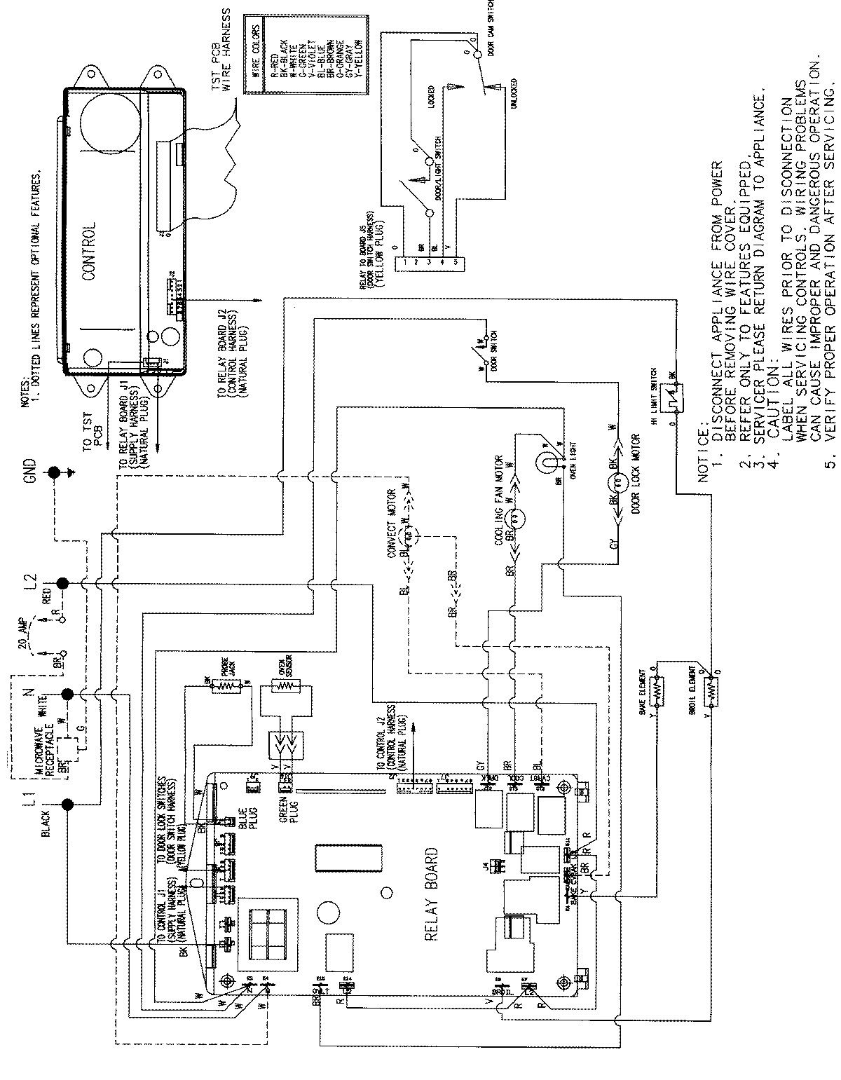
JMW8527CAS 08 – WIRING INFORMATIONadmin2025-04-26T09:06:36+00:00JMW8527CAS 08 – WIRING INFORMATION ProductsPositionProductNIMAY 15002514