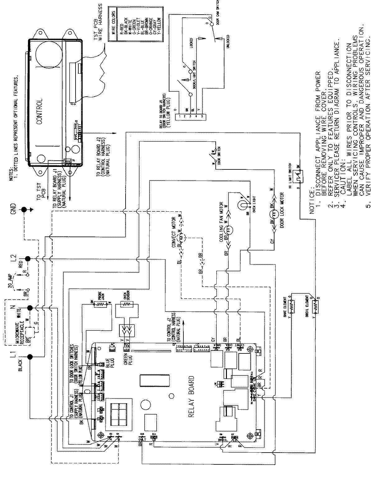
JMW8527CAW 08 – WIRING INFORMATIONadmin2025-04-26T09:05:30+00:00JMW8527CAW 08 – WIRING INFORMATION ProductsPositionProductNIMAY 15002514