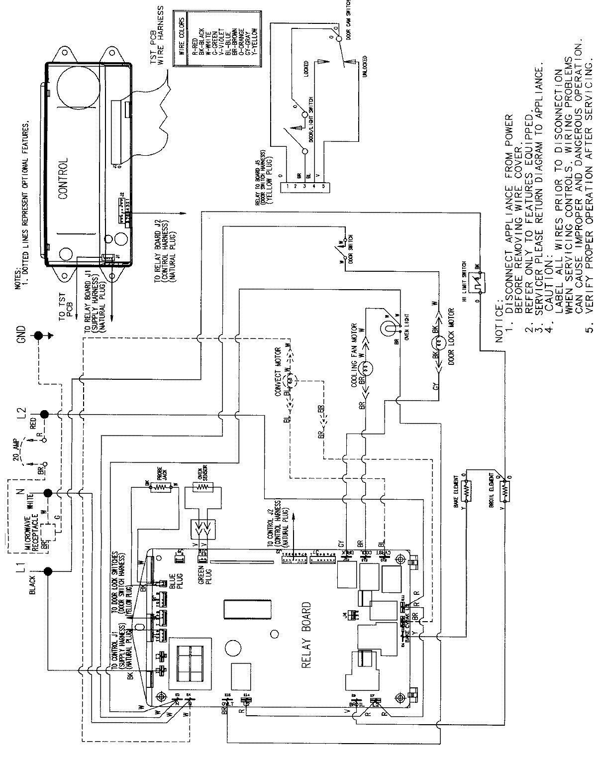
JMW8530AAB 08 – WIRING INFORMATIONadmin2025-04-26T09:07:10+00:00JMW8530AAB 08 – WIRING INFORMATION ProductsPositionProductNIMAY 15002514