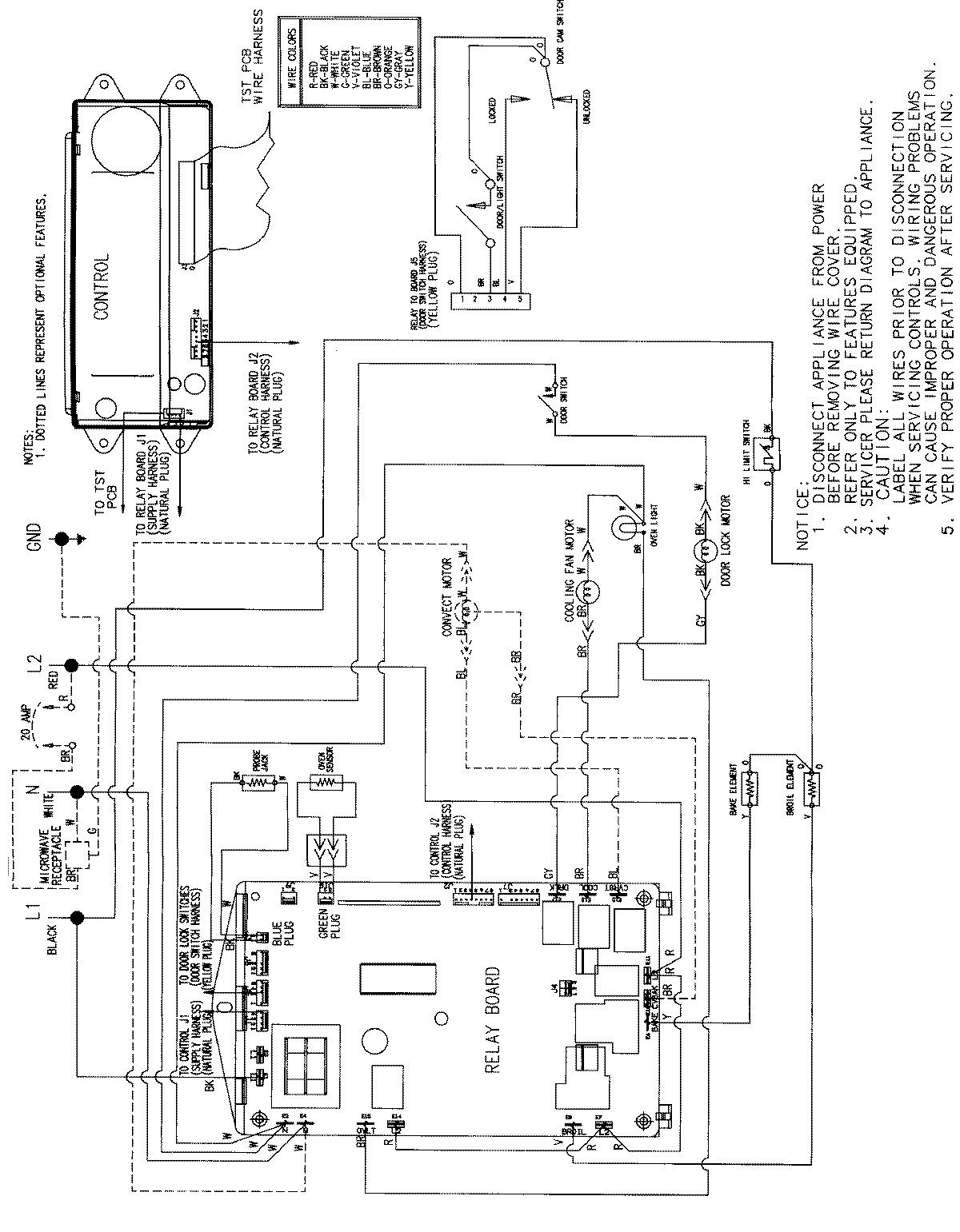
JMW8530AAW 08 – WIRING INFORMATIONadmin2025-04-26T09:06:51+00:00JMW8530AAW 08 – WIRING INFORMATION ProductsPositionProductNIMAY 15002514