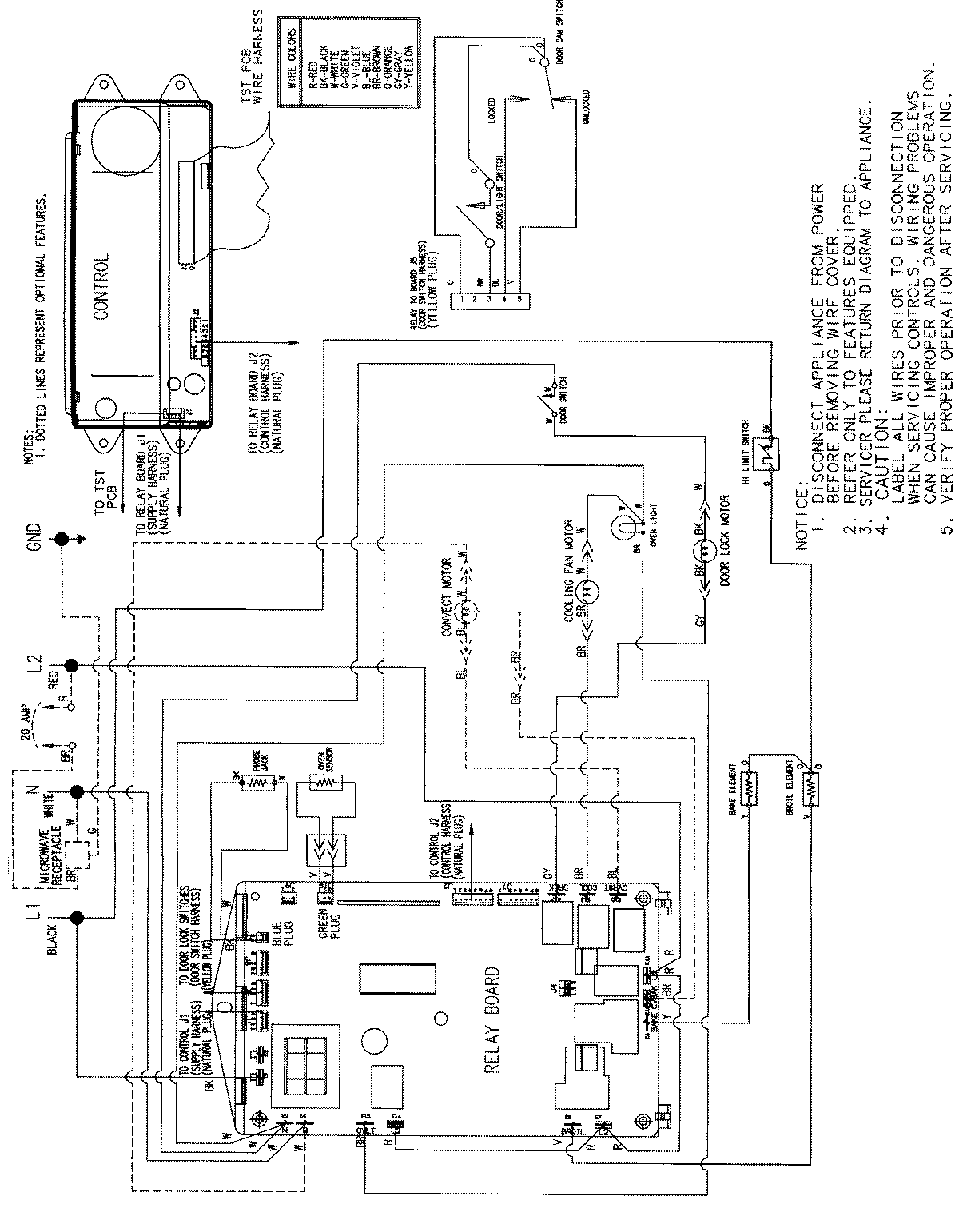
JMW8530BAW 08 – WIRING INFORMATIONadmin2025-04-26T09:05:12+00:00JMW8530BAW 08 – WIRING INFORMATION ProductsPositionProductNIMAY 15002514