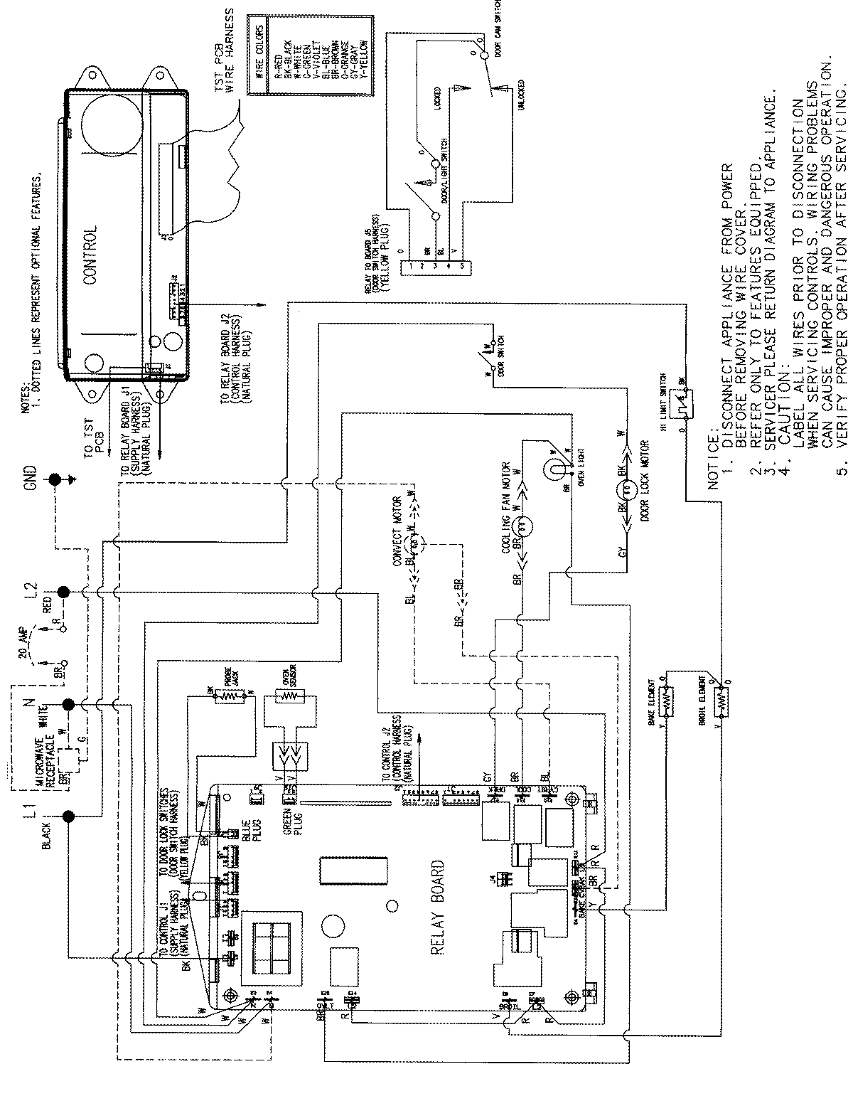
JMW8530CAB 08 – WIRING INFORMATIONadmin2025-04-26T09:06:33+00:00JMW8530CAB 08 – WIRING INFORMATION ProductsPositionProductNIMAY 15002514