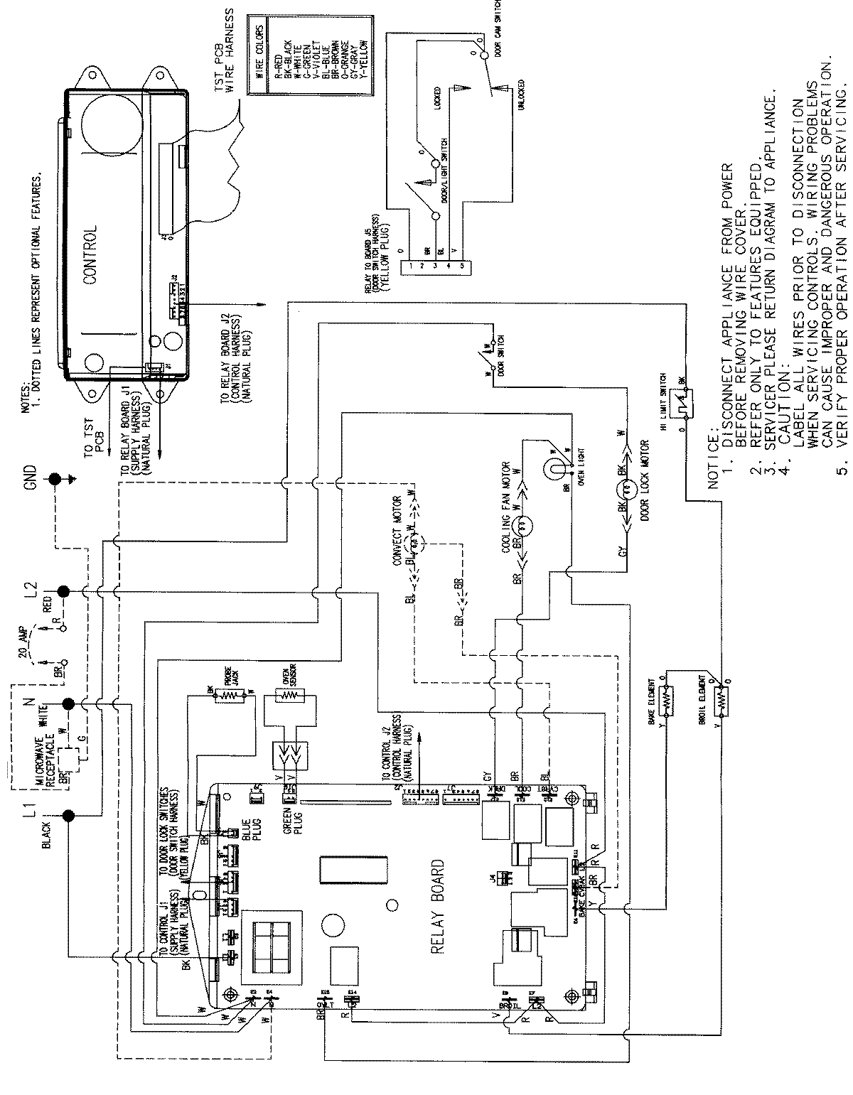
JMW8530CAW 08 – WIRING INFORMATIONadmin2025-04-26T09:08:11+00:00JMW8530CAW 08 – WIRING INFORMATION ProductsPositionProductNIMAY 15002514