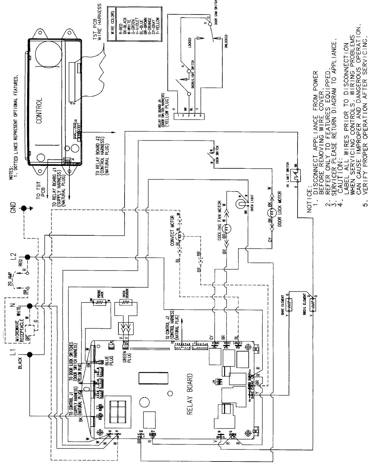
JMW9527AAB 08 – WIRING INFORMATIONadmin2025-04-26T09:07:01+00:00JMW9527AAB 08 – WIRING INFORMATION ProductsPositionProductNIMAY 15002514