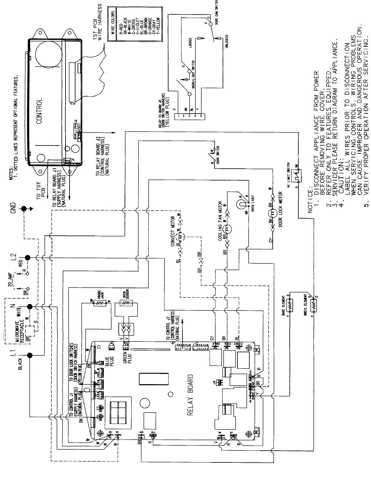
JMW9527BAB 08 – WIRING INFORMATIONadmin2025-04-26T09:08:23+00:00JMW9527BAB 08 – WIRING INFORMATION ProductsPositionProductNIMAY 15002514