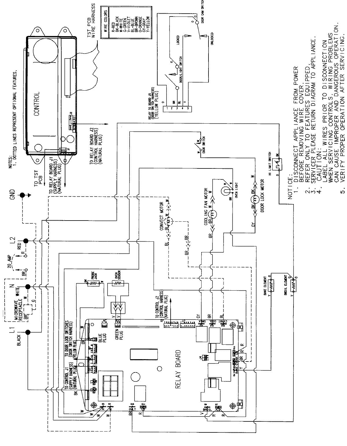
JMW9527CAQ 08 – WIRING INFORMATINadmin2025-04-26T09:07:40+00:00JMW9527CAQ 08 – WIRING INFORMATIN ProductsPositionProductNIMAY 15002514