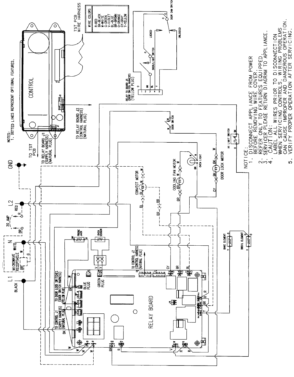
JMW9530AAQ 05 – WIRING INFORMATIONadmin2025-04-26T09:06:19+00:00JMW9530AAQ 05 – WIRING INFORMATION ProductsPositionProductNIMAY 15002514