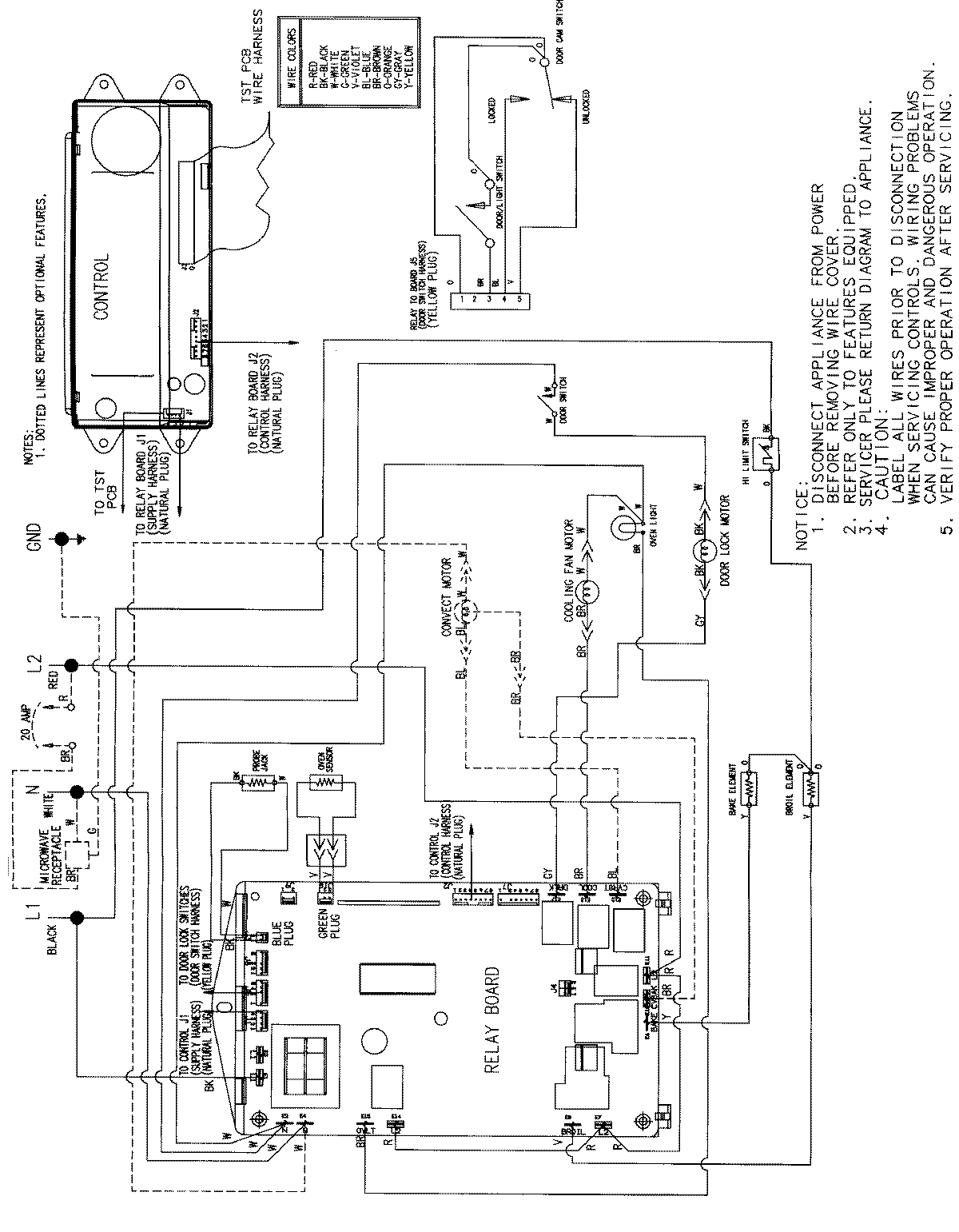
JMW9530AAW 08 – WIRING INFORMATIONadmin2025-04-26T09:07:15+00:00JMW9530AAW 08 – WIRING INFORMATION ProductsPositionProductNIMAY 15002514