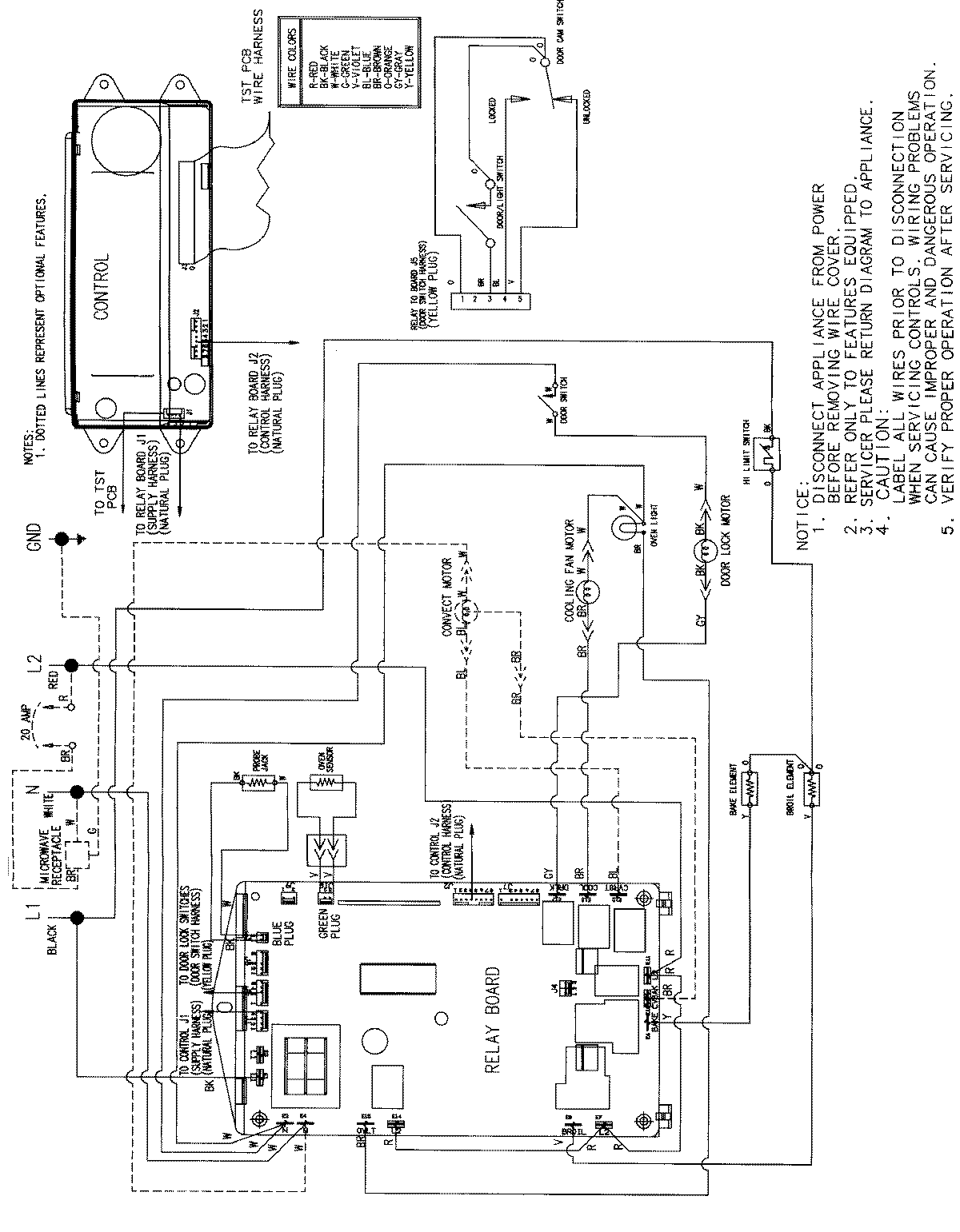
JMW9530BAB 08 – WIRING INFORMATIONadmin2025-04-26T09:07:35+00:00JMW9530BAB 08 – WIRING INFORMATION ProductsPositionProductNIMAY 15002514