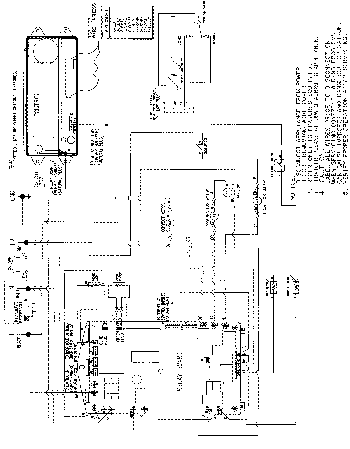
JMW9530BAQ 08 – WIRING INFORMATIONadmin2025-04-26T09:05:44+00:00JMW9530BAQ 08 – WIRING INFORMATION ProductsPositionProductNIMAY 15002514