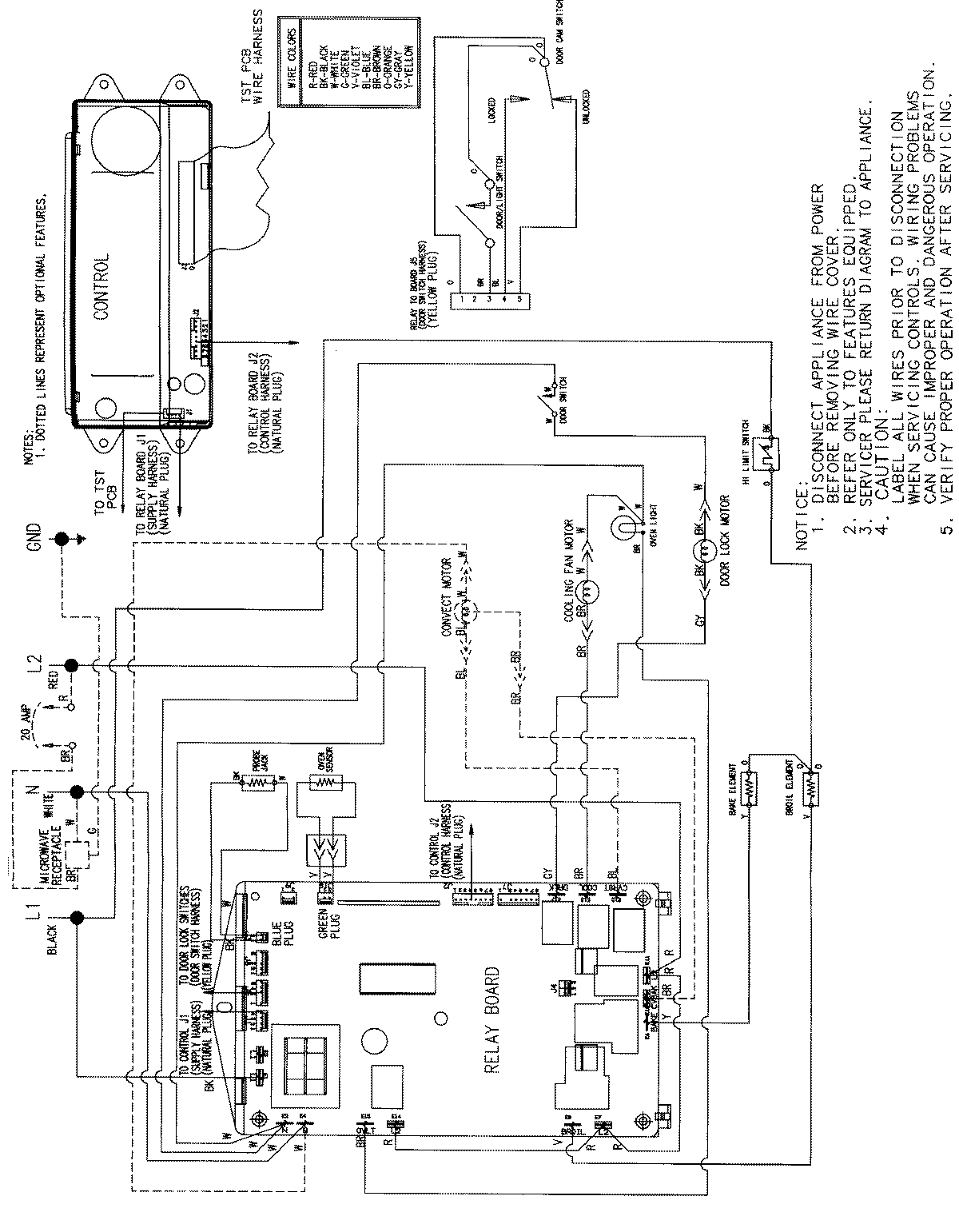
JMW9530BAW 08 – WIRING INFORMATIONadmin2025-04-26T09:09:17+00:00JMW9530BAW 08 – WIRING INFORMATION ProductsPositionProductNIMAY 15002514