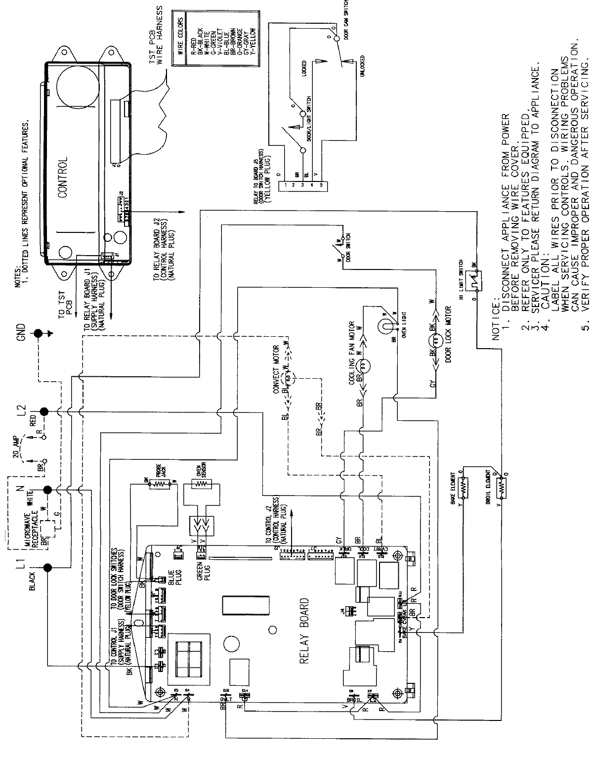
JMW9530CAQ 08 – WIRING INFORMATIONadmin2025-04-26T09:06:09+00:00JMW9530CAQ 08 – WIRING INFORMATION ProductsPositionProductNIMAY 15002514