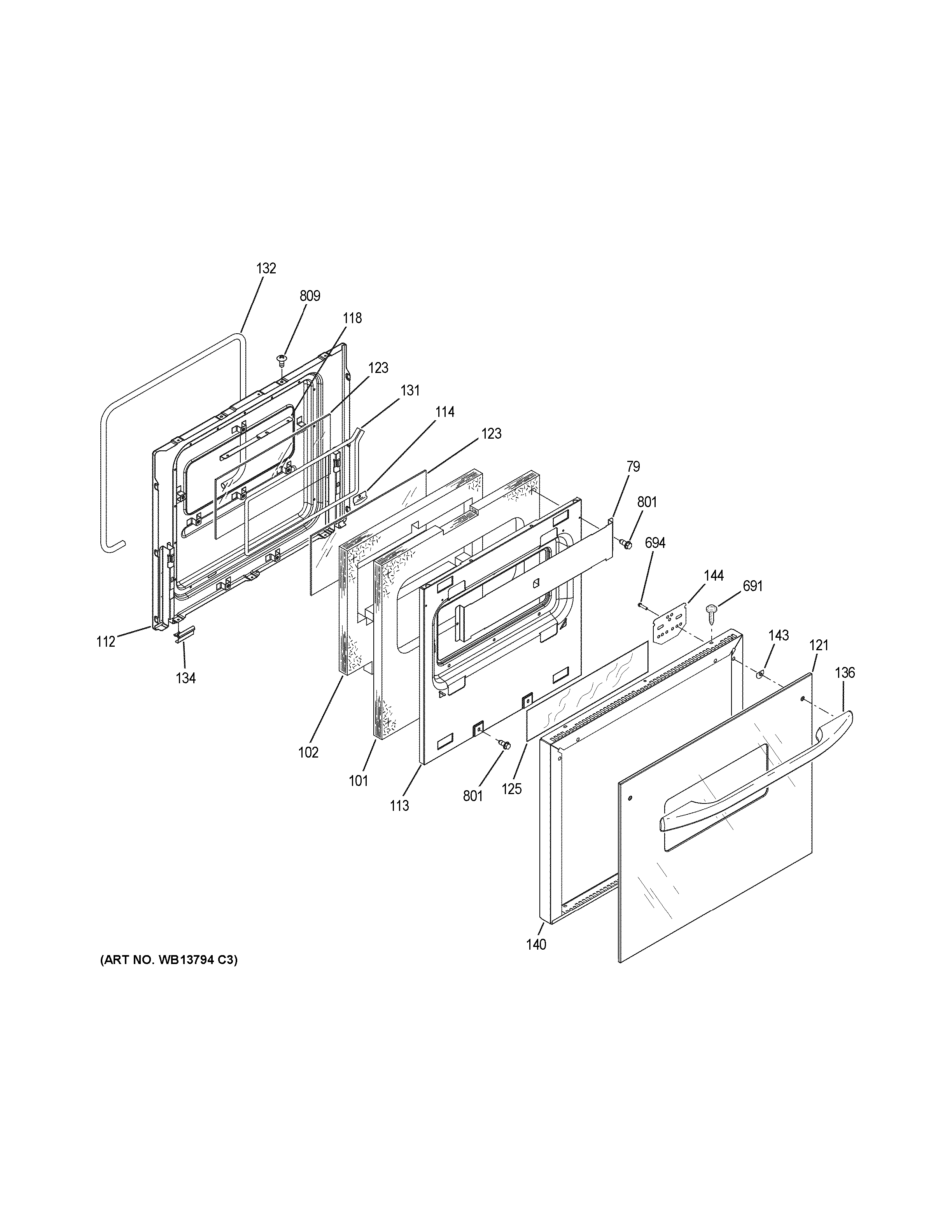
JRP28BJ5BB UPPER DOOR