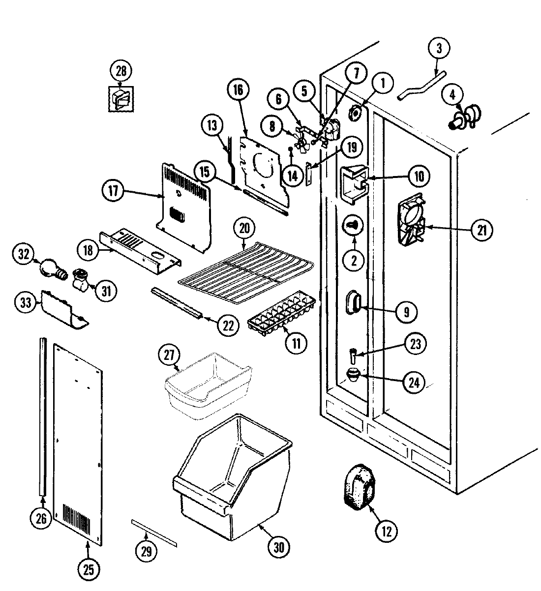
JRS206A 01 – FREEZER COMPARTMENTadmin2025-04-26T09:06:45+00:00JRS206A 01 – FREEZER COMPARTMENT ProductsPositionProduct1MAY 68187-12MAY 67557-23MAY 67593-33MAY 67676-14MAY 69219-15WP61004888 Whirlpool Refrigerator Evaporator Motor5MAY 70039-15MAY 403067-16MAY 64856-17WP488729 Whirlpool Refrigerator Door Screw8MAY 52120-49MAY 53727-19MAY 70034-110MAY 67353-111WP841180A Whirlpool Microwave Glass Turntable Tray12MAY 67837-113MAY 66325-2114MAY 420092-90015MAY 68946-416MAY 67297-517MAY 67225-118MAY 67344-319MAY 67288-119WP489478 Whirlpool Refrigerator Screw20MAY 66603-4220MAY 66603-3721MAY 67352-122MAY 70137-123MAY 26527-1124MAY 52526-125MAY 67335-225MAY 400015-3626MAY 69314-127WP67001255 Whirlpool Ice Bucket28W11384469 Whirlpool Door Switch29MAY 68124-6430MAY 66637-5431MAY 68974-332MAY 68123-133MAY 67292-1