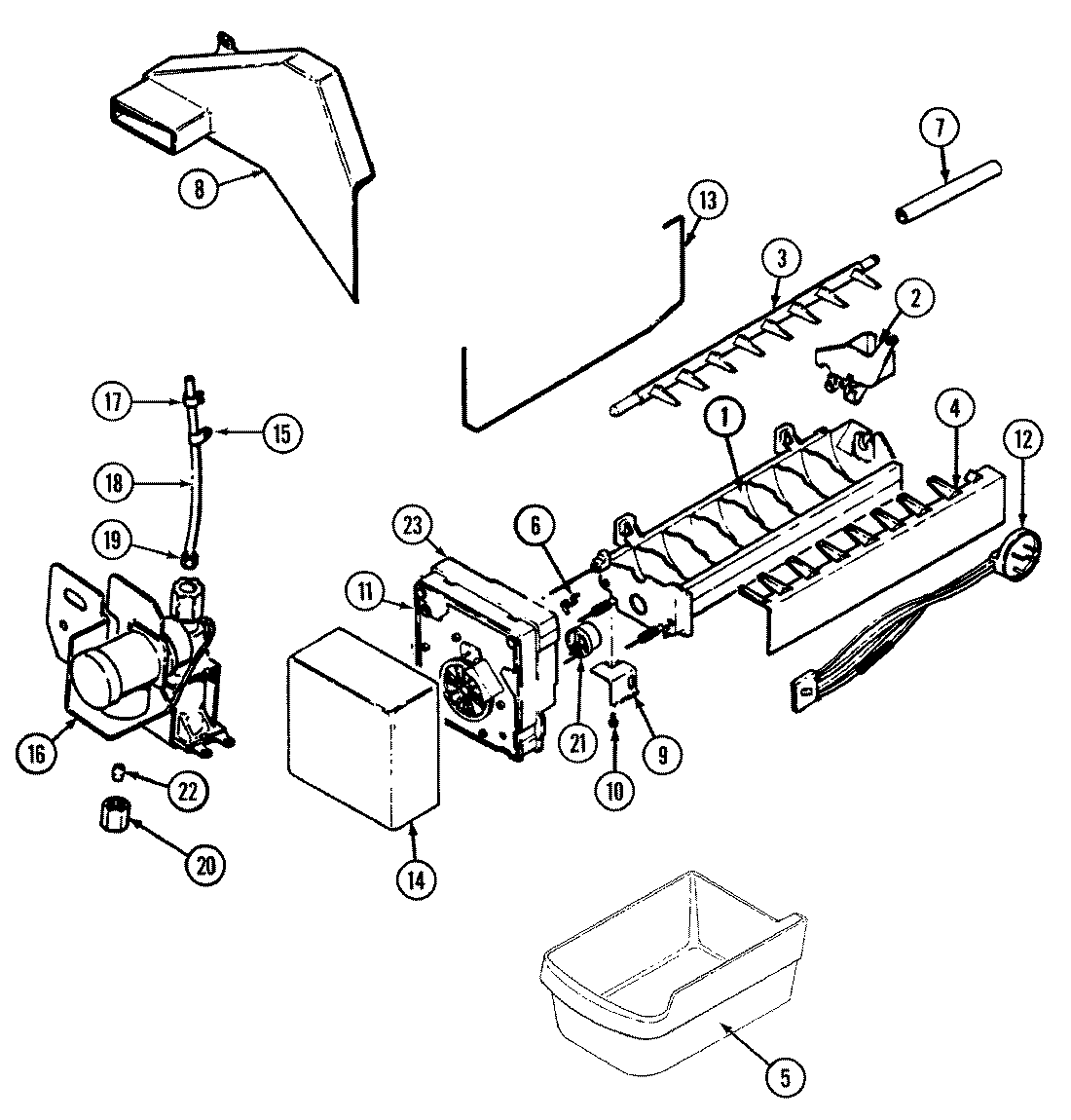
JRS206W 03 – OPTIONAL ICE MAKER KIT (ICE)admin2025-04-26T09:08:39+00:00JRS206W 03 – OPTIONAL ICE MAKER KIT (ICE) ProductsPositionProduct1D7824706Q Whirlpool Refrigerator Ice Maker Assembly1WP99003172 Whirlpool Silicone L2WP628356 Whirlpool Refrigerator Fill Cup3WP627843 Whirlpool Refrigerator Ejector Arm4WP2182124 Whirlpool Refrigerator Stripper Arm5WP67001255 Whirlpool Ice Bucket6WP2315522 Whirlpool Refrigerator Clip7MAY 67666-88MAY 70198-18MAY 70198-38MAY 70198-29BRACKET, MODULE & HEATER10MAY 95108-111MAY 95109-111MAY 400021-112MAY 70076-113MAY 68112-114MAY 68328-215SCREW15MAY 23197-816MAY 401017-116MAY 6100101917WPM0114003 Whirlpool Microwave Speed Clip Clamp18MAY 67579-619WP627018 Whirlpool Refrigerator Nut20WP245183 Whirlpool Nut21WP627985 Whirlpool Icemaker Cycling Thermostat21MAY 95093-122WP487627 Whirlpool Refrigerator Sleeve23SCREW23WP2195914 Whirlpool Refrigerator Ice Maker Housing