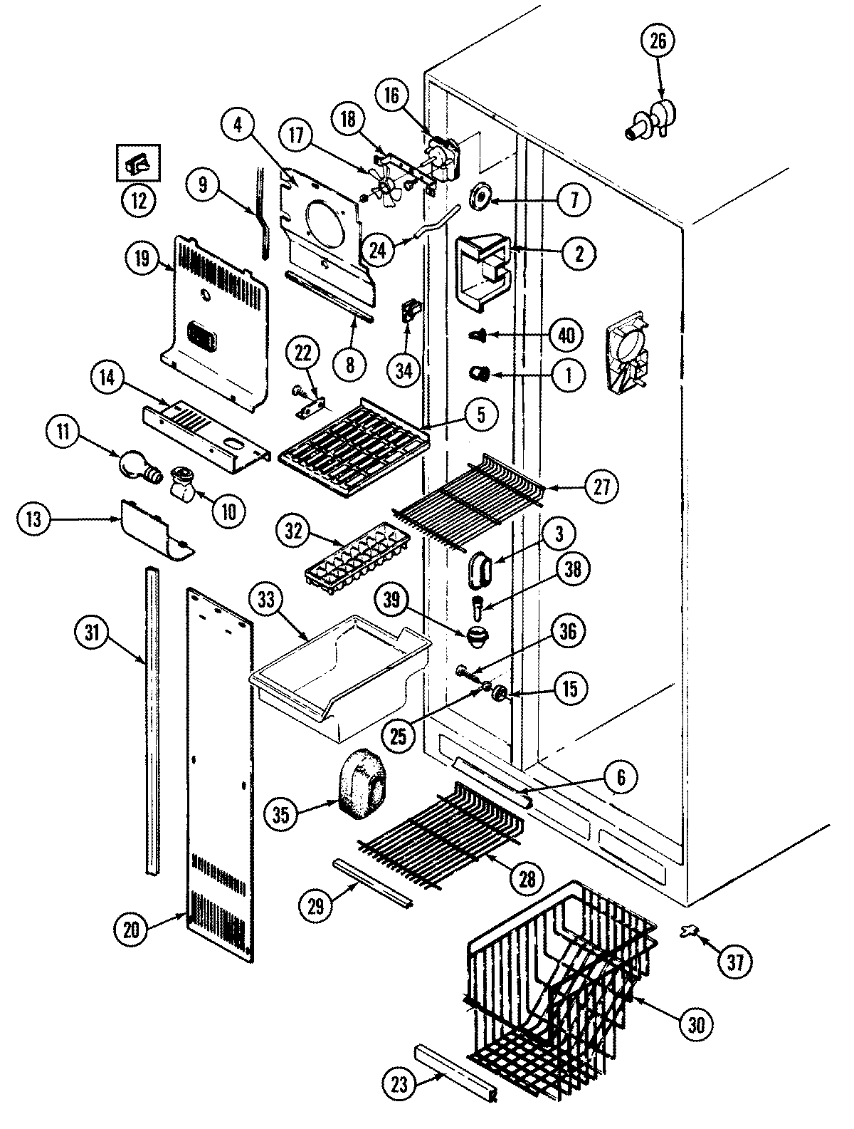
JRS228W 01 – FREEZER COMPARTMENTadmin2025-04-26T09:07:21+00:00JRS228W 01 – FREEZER COMPARTMENT ProductsPositionProduct1MAY 67466-12MAY 67353-13MAY 70034-14MAY 67297-55MAY 67114-66MAY 70136-27MAY 68187-18MAY 68946-49MAY 66325-2110MAY 68974-311MAY 68123-112W11384469 Whirlpool Door Switch13MAY 67292-114MAY 67344-315MAY 67123-216WP61004888 Whirlpool Refrigerator Evaporator Motor16MAY 70039-116MAY 403067-117MAY 52120-417MAY 420092-90018WP488729 Whirlpool Refrigerator Door Screw18MAY 64856-119MAY 67225-120MAY 400015-3620MAY 67335-221MAY 67352-122MAY 67288-122WP489478 Whirlpool Refrigerator Screw23MAY 70135-1724MAY 67676-124MAY 67593-325MAY 67124-126MAY 69219-127MAY 67178-928MAY 67178-729MAY 70135-1830MAY 69353-131MAY 69314-132WP841180A Whirlpool Microwave Glass Turntable Tray33MAY 67140-334SCREW34MAY 67143-135MAY 67837-136MAY 65275-1937MAY 406008-137MAY 67488-238MAY 26527-1139MAY 52526-140MAY 67557-2