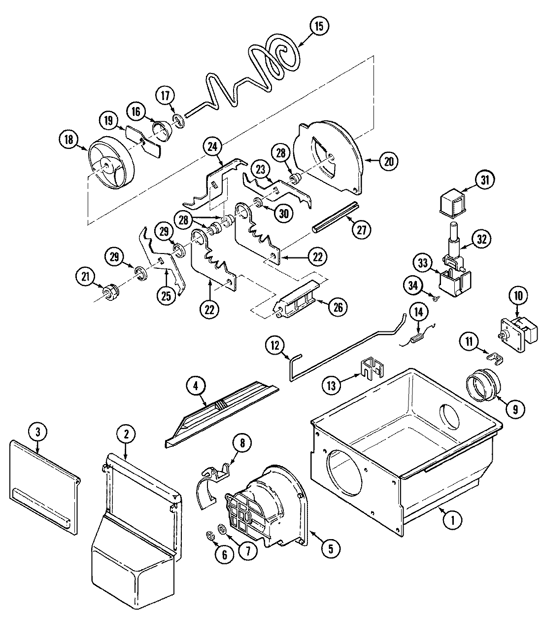
JRSD209W 08 – ICE CRUSHER & BIN