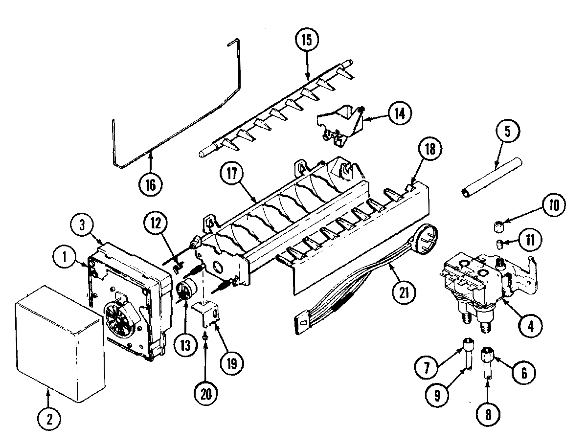
JRSD278A 09 – ICE MAKER