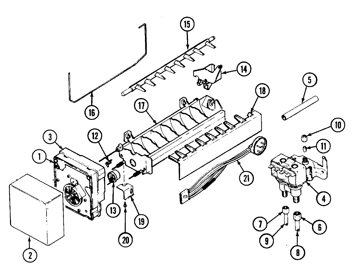
JRSD278W 07 – ICE MAKER