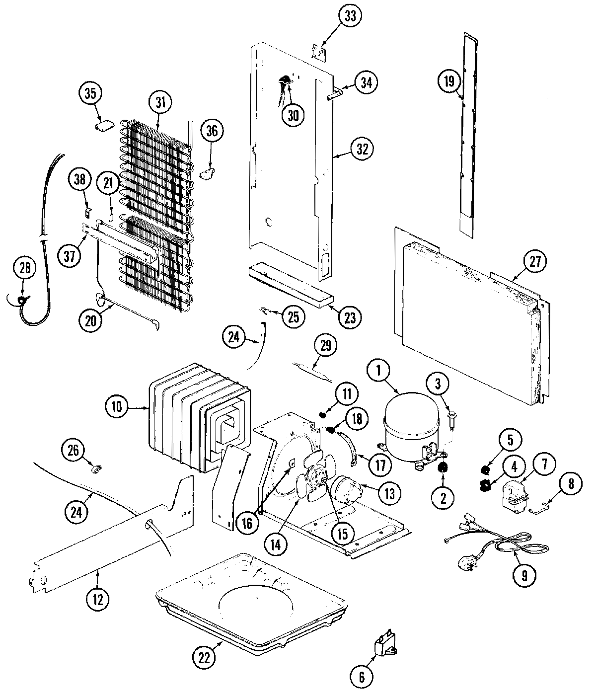
JRSD278W 09 – UNIT COMPARTMENT & SYSTEMadmin2025-04-26T09:08:06+00:00JRSD278W 09 – UNIT COMPARTMENT & SYSTEM ProductsPositionProduct1MAY 69062-11MAY 120000582MAY 17245-43MAY 65275-94MAY 66588-55MAY 69105-86WPW10662129 Whirlpool Refrigerator Run Capacitor7MAY 66589-28MAY 65886-19MAY 52890-310MAY 64998-110MAY 414001-110MAY 60408-211MAY 53351-112MAY 70362-113MAY 65275-3313833697 Whirlpool Condenser Fan Motor14WP12587601 Whirlpool Refrigerator Condenser Blade15MAY 69063-116WP486692 Whirlpool Refrigerator Nut17MAY 69181-118MAY 56933-119MAY 66381-119MAY 70263-120MAY 69848-221MAY 52067-123MAY 53523-224MAY 26911-2525WP596669 Whirlpool Hose Clamp26MAY 53516-527MAY 66339-327WP488729 Whirlpool Refrigerator Door Screw28MAY 26088-2328MAY 66223-128MAY 65013-2429MAY 1390030MAY 52085-2931MAY 52551-2232MAY 68834-233MAY 55878-134MAY 66325-1835MAY 65063-136MAY 65064-137WP489478 Whirlpool Refrigerator Screw37MAY 29915-1338MAY 52561-139MAY 1600032739MAY 108324-3