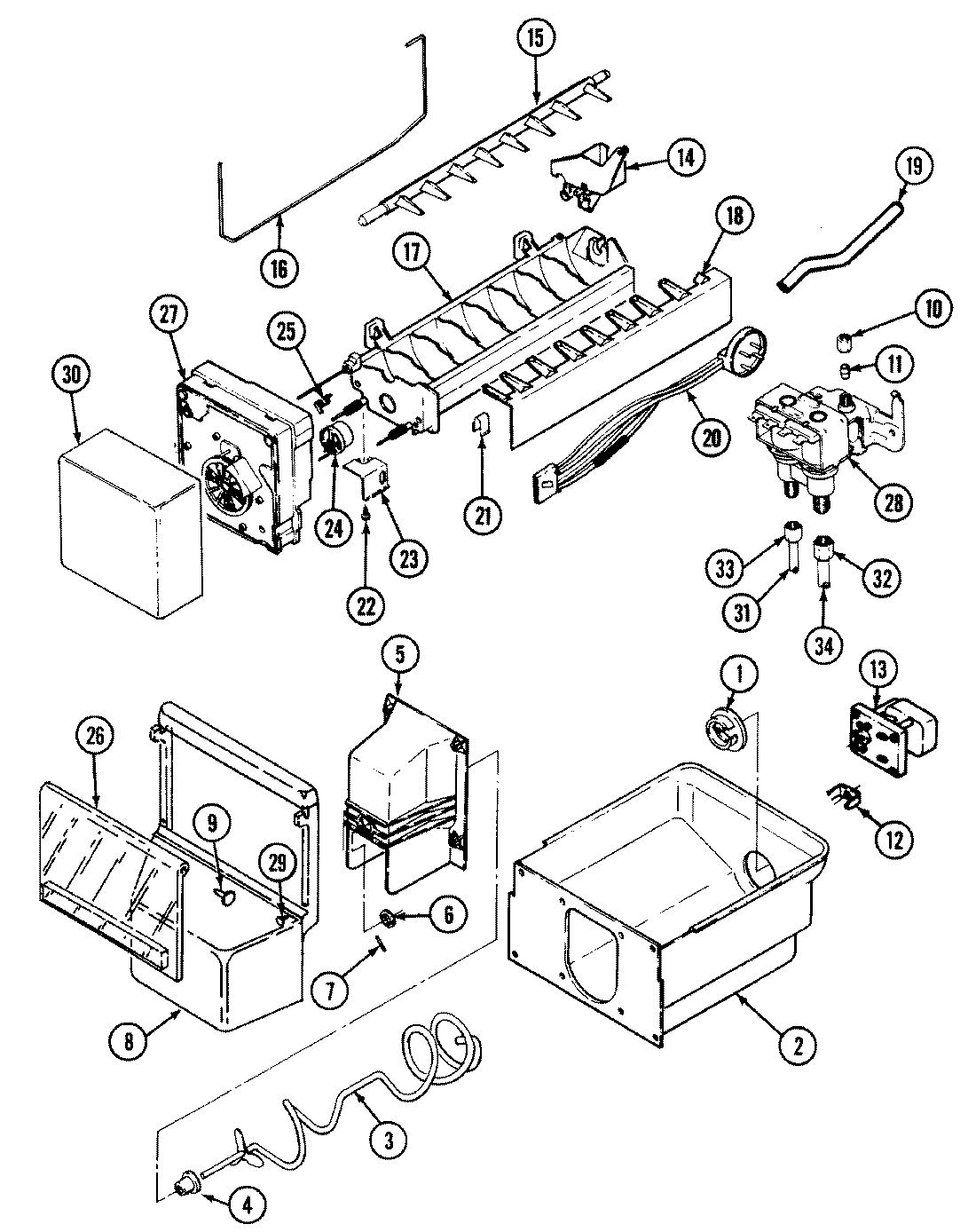
JRSDE227W 04 – ICE MAKER & BINadmin2025-04-26T09:07:56+00:00JRSDE227W 04 – ICE MAKER & BIN ProductsPositionProduct1WP61003336 Whirlpool Refrigerator Drive Ring2MAY 67826-13MAY 67833-14MAY 67172-25MAY 67829-16MAY 67834-27MAY 492007-7038MAY 69875-28415013-35 Whirlpool Refrigerator Screw9WP61006081 Whirlpool Refrigerator Top Cover10WP245183 Whirlpool Nut11WP487627 Whirlpool Refrigerator Sleeve12WP63052-2 Whirlpool Refrigerator Impeller1312001773 Whirlpool Refrigerator Primary Auger Motor Y Assembly13MAY 406026-10313MAY 69048-114WP628356 Whirlpool Refrigerator Fill Cup15WP627843 Whirlpool Refrigerator Ejector Arm16W11342242 Whirlpool Refrigerator Ice Level Arm17D7824706Q Whirlpool Refrigerator Ice Maker Assembly18WP2182124 Whirlpool Refrigerator Stripper Arm19MAY 67676-120MAY 70076-121MAY 68118-122MAY 95108-123BRACKET, MODULE & HEATER24MAY 95093-124WP627985 Whirlpool Icemaker Cycling Thermostat25WP2315522 Whirlpool Refrigerator Clip26MAY 69920-227MAY 400031-127WP489478 Whirlpool Refrigerator Screw27MAY 95109-128MAY 401018-128MAY 69825-129MAY 28272-630MAY 68328-231MAY 67579-232MAY 69583-233WP627018 Whirlpool Refrigerator Nut34MAY 67187-10