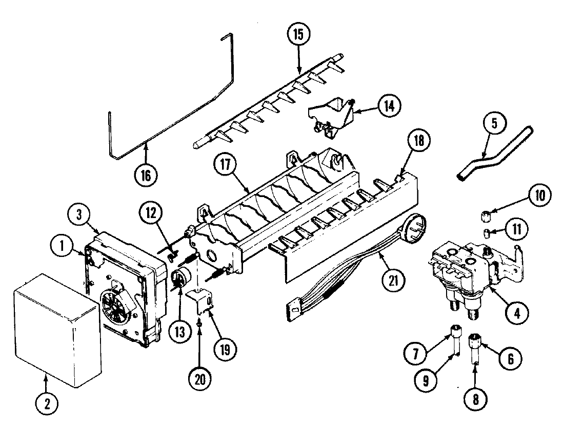
| 1 | WP489478 Whirlpool Refrigerator Screw |
| 1 | MAY 400031-1 |
| 1 | MAY 95109-1 |
| 2 | MAY 68328-2 |
| 3 | WP2195914 Whirlpool Refrigerator Ice Maker Housing |
| 3 | SCREW |
| 4 | MAY 61001021 |
| 4 | MAY 401018-1 |
| 5 | MAY 67676-1 |
| 6 | MAY 69583-2 |
| 7 | WP627018 Whirlpool Refrigerator Nut |
| 8 | MAY 67187-10 |
| 9 | MAY 67579-2 |
| 10 | WP245183 Whirlpool Nut |
| 11 | WP487627 Whirlpool Refrigerator Sleeve |
| 12 | WP2315522 Whirlpool Refrigerator Clip |
| 13 | MAY 95093-1 |
| 13 | WP627985 Whirlpool Icemaker Cycling Thermostat |
| 14 | WP628356 Whirlpool Refrigerator Fill Cup |
| 15 | WP627843 Whirlpool Refrigerator Ejector Arm |
| 16 | W11342242 Whirlpool Refrigerator Ice Level Arm |
| 17 | D7824706Q Whirlpool Refrigerator Ice Maker Assembly |
| 18 | WP2182124 Whirlpool Refrigerator Stripper Arm |
| 19 | BRACKET, MODULE & HEATER |
| 20 | MAY 95108-1 |
| 21 | MAY 70076-1 |