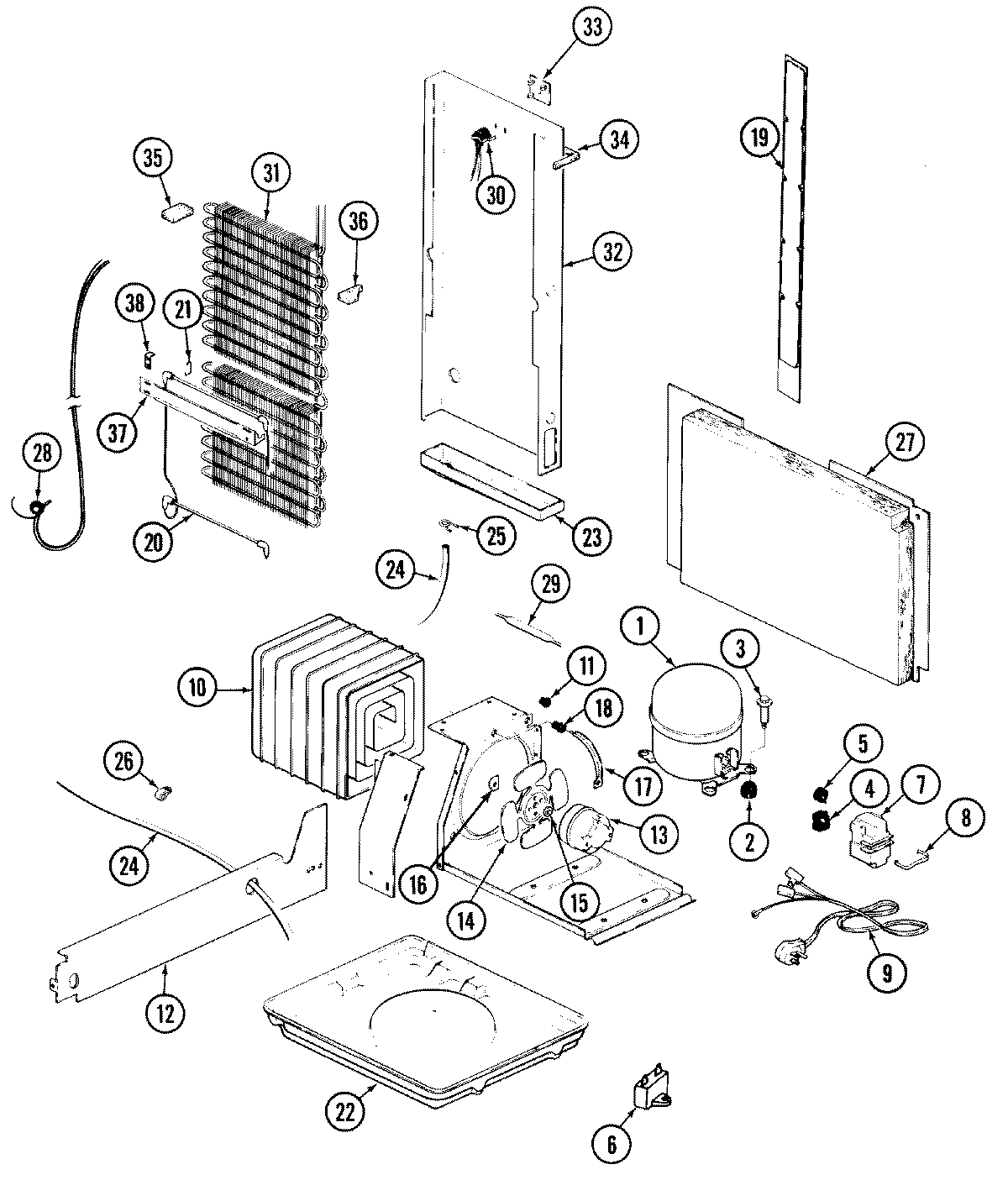
JRSDE228B 07 – UNIT COMPARTMENT & SYSTEM