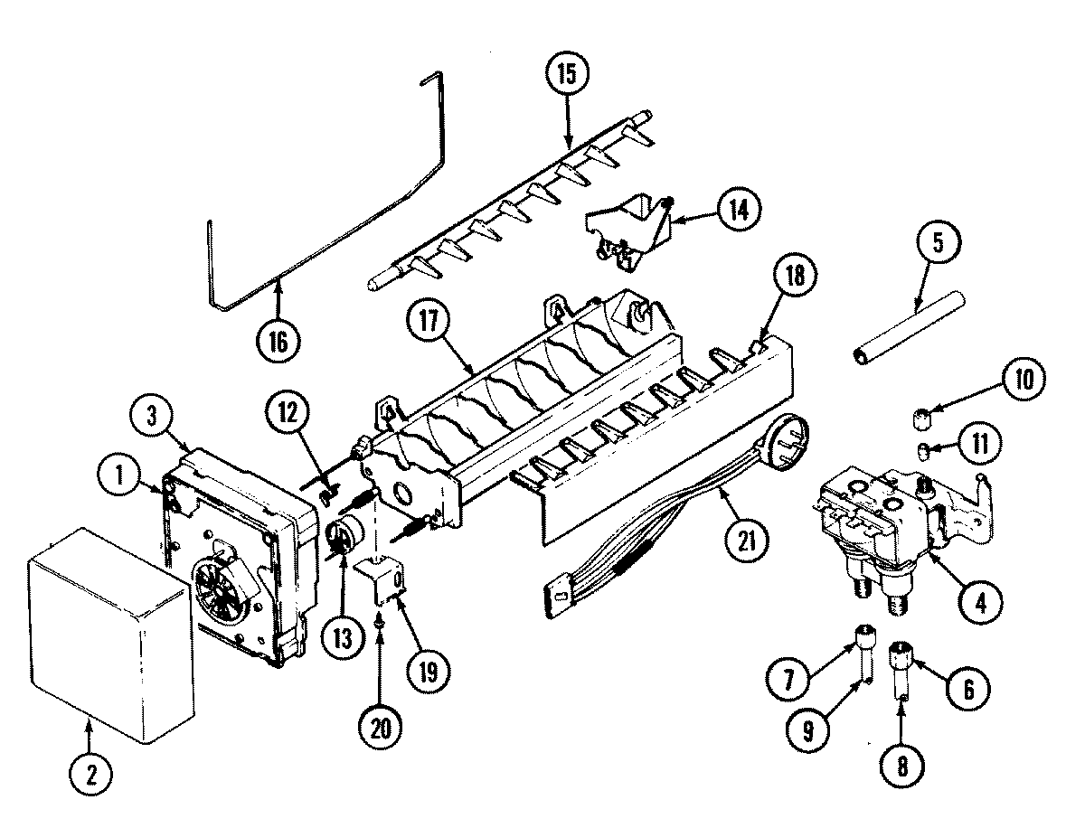
JRSDE248TA 07 – ICE MAKERadmin2025-04-26T09:07:41+00:00JRSDE248TA 07 – ICE MAKER ProductsPositionProduct1WP489478 Whirlpool Refrigerator Screw1MAY 95109-11MAY 400031-12MAY 68328-23WP2195914 Whirlpool Refrigerator Ice Maker Housing3SCREW4MAY 610010214MAY 401018-15MAY 67666-16MAY 69583-27WP627018 Whirlpool Refrigerator Nut8MAY 67187-59MAY 67579-210WP245183 Whirlpool Nut11WP487627 Whirlpool Refrigerator Sleeve12WP2315522 Whirlpool Refrigerator Clip13MAY 95093-113WP627985 Whirlpool Icemaker Cycling Thermostat14WP628356 Whirlpool Refrigerator Fill Cup15WP627843 Whirlpool Refrigerator Ejector Arm16W11342242 Whirlpool Refrigerator Ice Level Arm17D7824706Q Whirlpool Refrigerator Ice Maker Assembly18WP2182124 Whirlpool Refrigerator Stripper Arm19BRACKET, MODULE & HEATER20MAY 95108-121MAY 70076-1