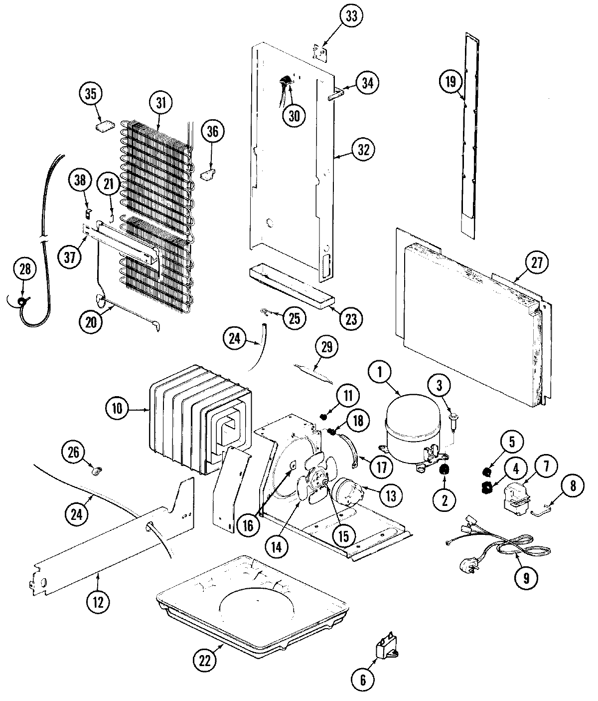
JRSDE248TA 09 – UNIT COMPARTMENT & SYSTEMadmin2025-04-26T09:08:53+00:00JRSDE248TA 09 – UNIT COMPARTMENT & SYSTEM ProductsPositionProduct1MAY 120000581MAY 69062-12MAY 17245-43MAY 65275-94MAY 66588-55MAY 69105-86WPW10662129 Whirlpool Refrigerator Run Capacitor7MAY 66589-28MAY 65886-19MAY 52890-310MAY 60408-210MAY 414001-110MAY 64998-111MAY 53351-112MAY 66494-113MAY 65275-3313833697 Whirlpool Condenser Fan Motor14WP12587601 Whirlpool Refrigerator Condenser Blade15MAY 69063-116WP486692 Whirlpool Refrigerator Nut17MAY 69181-118MAY 56933-119MAY 70263-119MAY 66381-120MAY 69848-221MAY 52067-123MAY 53523-224MAY 26911-2525WP596669 Whirlpool Hose Clamp26MAY 53516-527WP488729 Whirlpool Refrigerator Door Screw27MAY 66339-328MAY 65013-2428MAY 26088-2329MAY 1390030MAY 52085-2931MAY 52551-2232MAY 68834-233MAY 55878-134MAY 66325-1835MAY 65063-136MAY 65064-137MAY 29915-1337WP489478 Whirlpool Refrigerator Screw38MAY 52561-139MAY 1600032639MAY 109362-1