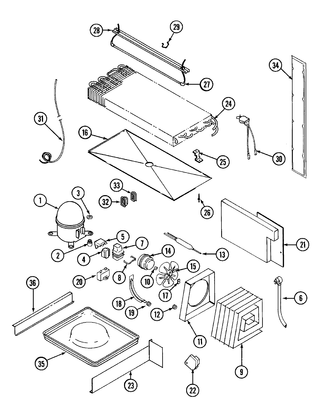
JRT1950A 09 – UNIT COMPARTMENT & SYSTEMadmin2025-04-26T09:12:05+00:00JRT1950A 09 – UNIT COMPARTMENT & SYSTEM ProductsPositionProduct1MAY RA1011-12MAY 17245-43MAY 62165-142154436 Whirlpool Refrigerator Start Relay5MAY 69105-106MAY 52890-37MAY 66589-28MAY 65886-19MAY 60434-39MAY 414001-19MAY 60408-210MAY 6100168610MAY 69063-111MAY 6100120512MAY 53351-113WPW10143759 Whirlpool Dryer Filter14MAY 65275-3314MAY 68445-114MAY 6100101615WP12587601 Whirlpool Refrigerator Condenser Blade16MAY 69118-217WP486692 Whirlpool Refrigerator Nut18MAY 69181-119MAY 56933-120WP2262343 Whirlpool Refrigerator/Freezer Capacitor21MAY 66338-421MAY 65275-522MAY 405007-122WP68233-2 Whirlpool Refrigerator Defrost Timer23MAY 66493-124MAY 69822-725MAY 60108-226MAY 26397-927WP60106-35 Whirlpool Defrost Heater Assembly28MAY 60109-529MAY 68935-130MAY 52085-3331MAY 6100104231MAY 65013-2632MAY 60068-133MAY 60069-134MAY 60177-434MAY 65275-5034MAY 6100156334MAY 60110-234MAY 70169-136MAY 60555-136WP489478 Whirlpool Refrigerator Screw36MAY 60555-237MAY 6100121238MAY 16000326